Texas Instruments LMR36500同期整流降圧コンバータ
Texas Instruments LMR36500同期降圧コンバータは、4mm2 のHotRodパッケージに収められた超小型で、3V〜65Vの広い入力電圧範囲を備えた降圧DC/DCコンバータです。このコンバータは、優れた EMI 性能を提供し、最大70V入力電圧過渡を処理し、固定の3.3Vおよび5Vの調整可能な出力電圧をサポートします。LMR36500コンバータは、幅広いデューティ比と200kHz~2.2MHzのスイッチング周波数範囲で動作するように設計されています。この同期降圧コンバータは、起動時とシャットダウン時に正確なデバイス制御を可能にする EN/UVLO を備えています。PGOOD フラグには、システム ステータスを正確に示すグリッチ フィルタと遅延リリースが組み込まれているため、外部電圧監視装置が不要になります。代表的なアプリケーションには、フィールド送信機とプロセス センサ、HVAC と火災安全の通知と検出器、園芸工具と電動工具、ポータブル電子機器などが含まれます。特徴
- 堅牢な産業用アプリケーション向けに設計:
- ジャンクション温度範囲:-40°C~+150°C
- 最大70Vの過渡入力に対応
- 広い入力電圧範囲:3.0V(立ち下がりスレッショルド)~65V)
- スイッチ ノードのリンギングを最小限に抑えてEMIを低減
- 可変および固定出力の3.3Vと5V電圧オプションを利用可能
- スケーラブルな産業用電源に対応した設計:
- LMR36503 (65V、300mA) および LMR36506 (65V、600mA) とピン互換
- 可変スイッチング周波数:200kHz~2.2MHz (RTピン・バリアントの場合)
- 負荷範囲全体にわたって高効率かつ低消費電力:
- 1MHz(3.3V VOUT) でのピーク効率:80%以上
- 超小型、2mm×2mmHotRod™パッケージ
アプリケーション
- ファクトリーオートメーション
- フィールドトランスミッターとプロセスセンサ
- ビルオートメーション:
- HVAC および火災安全に関する通知と検知器
- 家電製品:
- 園芸工具と電動工具
- 携帯用電子機器
- ヘッドフォンとイヤフォン
出力電流に対する効率性
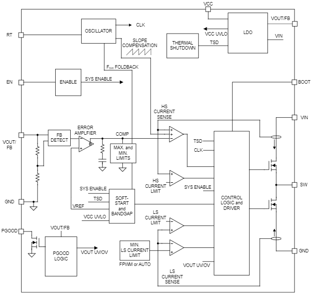
機能ブロック図
公開: 2024-01-10
| 更新済み: 2025-03-05
