Texas Instruments LMR50410/LMR50410-Q1降圧コンバータ
Texas Instruments LMR50410/LMR50410-Q1シンプルスイッチャ® 降圧コンバータは、ワイドVIN、使い勝手の良い同期降圧コンバータで、最大1Aまで負荷電流を駆動できます。4V~36Vという広い入力範囲があり、デバイスは非安定化ソースからの電力調節用を目的とした広範囲なアプリケーションに最適です。LMR50410/LMH50410-Q1は、最適化されたソリューションサイズのための比較的小さなインダクタの使用をサポートできるように、スイッチング周波数で動作します。軽負荷時の高効率と全負荷範囲での小さな出力電圧リップルを具現化するPFMバージョンがあります。ソフトスタートと補償回路は内部に実装されており、デバイスと最小限の外付け部品との併用が可能です。デバイスには、サイクル・バイ・サイクルの電流制限、ヒカップモードの短絡保護、過度の電力損失が発生した場合の熱シャットダウンといった内蔵保護機能があります。Texas Instruments LMR50410/LMR50410-Q1は、SOT-23-6パッケージでご用意があります。LMR50410-Q1は、自動車アプリケーションを対象としたAEC-Q100認定を受けています。
特徴
- 機能安全対応
- 機能安全システム設計を支援する文書を利用可能
- 堅牢なアプリケーション用に設定されています。
- 4V~36V入力電圧範囲
- 連続出力電流: 1A
- 60ns分のスイッチングON時間
- 2.1MHz固定スイッチング周波数
- –40°C~150°C接合部温度範囲
- 98%最大のデューティーサイクル
- プリバイアス出力による単調なスタートアップ
- ヒカップモード付き内部短絡保護
- ±1%許容電圧リファレンス
- 高精度イネーブル
- 小型ソリューションサイズと使いやすさ
- 同期整流器内臓
- 使用を容易にする内部補償
- SOT-23-6パッケージ
- TPS560430-Q1とのピン対ピン互換性あり
- ピン・ツー・ピン互換パッケージでのさまざまなオプション
- PFMおよび強制PWM(FPWM)オプション
- 固定3.3V出力オプション
アプリケーション
- ボディ電子部材と照明装置
- インフォテインメントとクラスタ
- ADAS
- 汎用ワイドVIN 電源
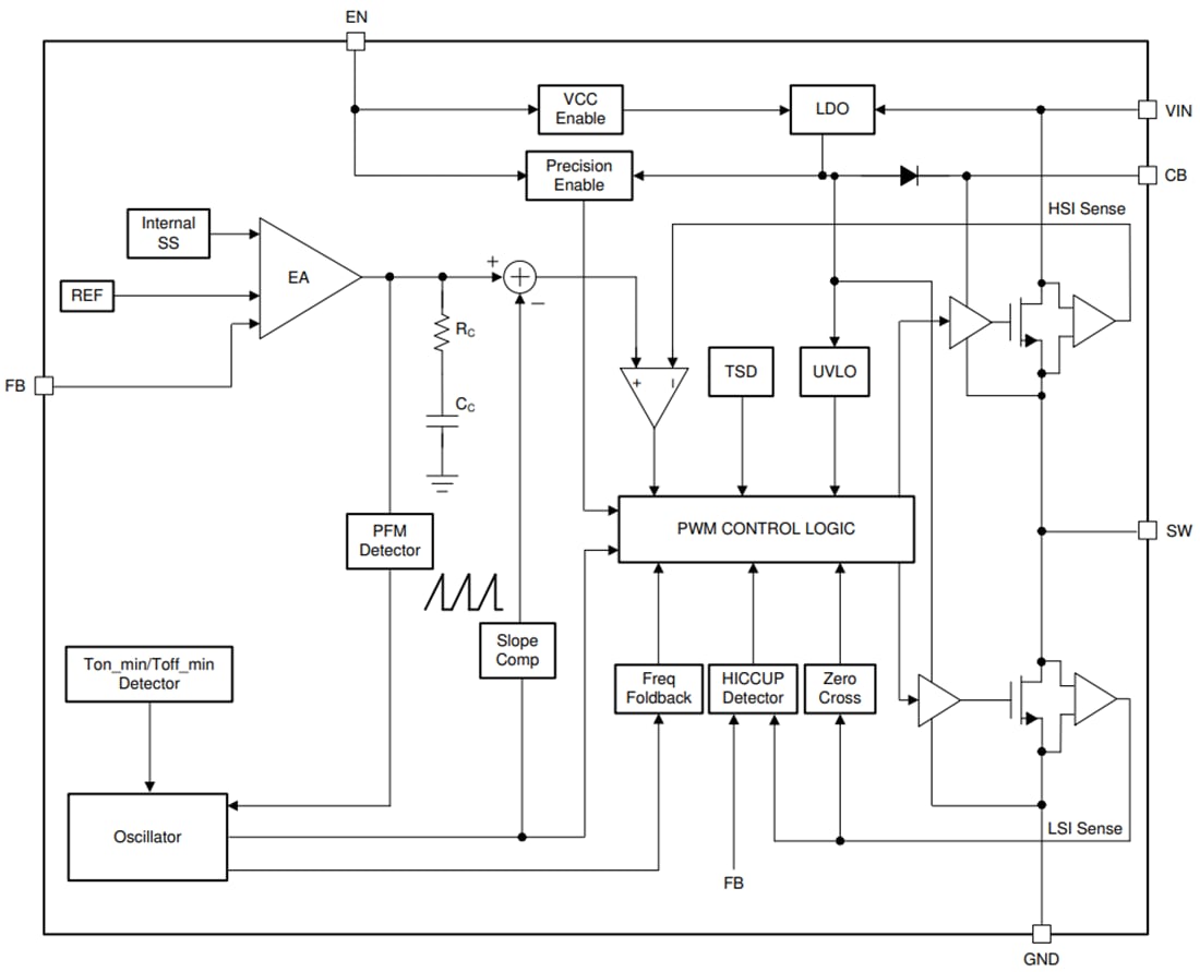
機能ブロック図
公開: 2020-09-28
| 更新済み: 2024-11-05
