Texas Instruments LMR514xxは、400kHzと1.1MHzのスイッチング周波数で動作するため、比較的小型のインダクタを使用でき、設計サイズの最適化が可能です。PFMバージョンは、軽負荷時に高効率を実現し、FPWM バージョンは、一定の周波数を維持しながら全負荷範囲にわたって出力電圧リップルを小さくできます。ソフトスタートと補償回路を内蔵しており、最小限の外付け部品でデバイスを使用できます。
このデバイスには、サイクル単位の電流制限、ヒカップ モード短絡保護、過剰な電力損失時のサーマル シャットダウンなどの保護機能が組み込まれています。
特徴
- 機能安全対応
- 機能安全システム設計を支援する文書を利用可能
- 堅牢な産業用アプリケーション用に設定されています。
- 入力電圧範囲4V~42V
- 最大50Vの入力過渡保護
- 連続出力電流:0.6A/1A
- 最小スイッチング・オンタイム:80ns
- 固定400kHzおよび1.1MHzのスイッチング周波数
- ジャンクション温度範囲:40°C~150°C
- 98%最大のデューティーサイクル
- プリバイアス出力による単調なスタートアップ
- ヒカップ・モードの短絡保護
- 高精度イネーブル
- 公差電圧基準:±1.5%
アプリケーション
- 主要な家電製品
- PLC、DCS、PAC
- スマートメーター
- 電力供給
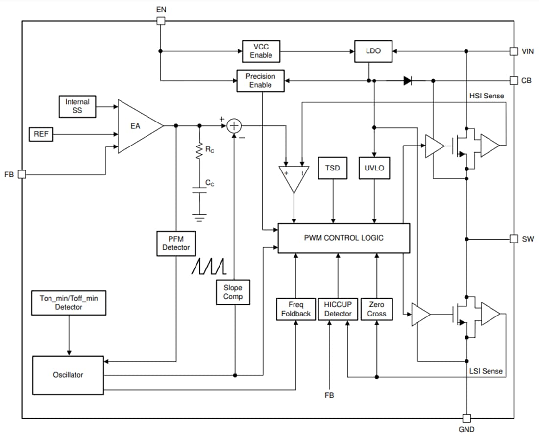
機能ブロック図
公開: 2024-07-01
| 更新済み: 2024-07-04

