Texas Instruments LMR516x5同期降圧コンバータ
Texas Instruments LMR516x5同期降圧コンバータは、最大2.5Aまたは3.5Aの負荷電流をドライブできます。本デバイスは、4.3V~60Vの広い入力電圧範囲で動作し、レギュレートされていない電源からの電源調整を行うさまざまな産業用アプリケーションに適しています。Texas Instruments LMR516x5は、400kHzまたは1.1MHzのスイッチング周波数で動作し、比較的小型のインダクタを使用でき、設計サイズの最適化が可能です。このデバイスは、軽負荷時に高効率を実現するパルス周波数変調(PFMバージョン)と、一定の周波数を維持しながら負荷範囲全体にわたって出力電圧リップルを小さくできる強制パルス幅変調(PFMバージョン)を備えています。ソフト・スタートと補償回路が内部に実装されており、最小限の外付け部品で使用できます。本デバイスには、サイクル単位の電流制限、過剰な電力消費時のサーマル・シャットダウン、ヒカップ・モード短絡保護などの保護機能が組み込まれています。
特徴
- 堅牢な産業用アプリケーション用に設定されています。
- 入力電圧範囲4.3V~60V
- 連続出力電流: 2.5Aまたは3.5A
- 低い動作自己消費電流:29µA
- 最小スイッチングオンタイム: 70ns
- スイッチング周波数: 400kHzおよび1.1MHz
- 周波数スペクトラム拡散(PFMバリエーション)
- ジャンクション温度範囲: –40°C~150°C
- 最大負荷サイクル: 96%
- プリバイアス出力による単調なスタートアップ
- ヒカップ・モードの短絡保護
- 高精度イネーブル
- 基準電圧の公差: ±1%
- 機能安全システム設計を支援する文書を利用できる機能安全対応
- 小型の設計サイズと使いやすさ
- 同期整流器内臓
- 使用が簡単になる内部補償
- パッケージ SOT-23
- ピン互換性パッケージの各種オプション:PFMおよび強制PWM(FPWM)オプション
アプリケーション
- 主要な家電製品
- PLC、DCS、PAC
- スマートメーター
- VIN が広い汎用電源
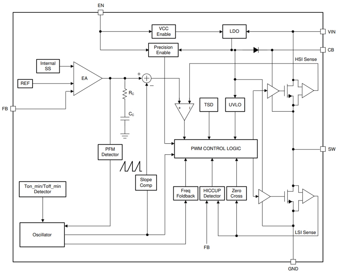
機能ブロック図
公開: 2025-03-24
| 更新済み: 2025-04-18
