Texas Instruments LMR516xx/LMR516xx-Q1パワーコンバータ
Texas Instruments LMR516xx/LMR516xx-Q1 SIMPLE SWITCHER® パワーコンバータは、ワイドVIN、使い勝手の良い同期バックコンバータで、最大0.6Aおよび1Aの負荷電流を駆動する能力があります。4V〜65Vの広い入力範囲を備えたこのデバイスは、非安定化ソースからの電力調節を目的としたさまざまな産業用アプリケーション用に設計されています。LMR516xx / LMR516xx-Q1は、400kHzおよび1.1MHzスイッチング周波数で動作し、最適化された設計サイズのための比較的小さなインダクタに対応しています。LMR516xx/LMR516xx-Q1には、軽負荷での高い効率性を実現するPFMバージョン、および全負荷範囲にわたって定周波数および小さな出力電圧リップルを達成するFPWMバージョンがあります。ソフトスタートと補償回路は内部に実装されており、デバイスを最小限の外付け部品で使用できます。Texas Instruments LMR516xx / LMR516xx-Q1には、サイクル・バイ・サイクル電流制限、ヒカップモード短絡保護、過度の電力損失が発生した場合の熱シャットダウンといった内蔵保護機能があります。LMR516xx-Q1は、自動車アプリケーションを対象としたAEC-Q100認定を受けています。
特徴
- 機能安全対応
- 機能安全システム設計を支援する文書を利用可能
- 堅牢な産業用アプリケーション用に設定されています。
- 入力電圧範囲: 4V~65V
- 入力過渡保護70V(最高)まで
- 連続出力電流:0.6A/1A
- 最小スイッチング・オンタイム:80ns
- 固定400kHzおよび1.1MHzのスイッチング周波数
- –40°C~150°C接合部温度範囲
- 98%最大のデューティーサイクル
- プリバイアス出力による単調なスタートアップ
- ヒカップモード付き短絡保護
- 高精度イネーブル
- ±1.5%許容電圧リファレンス
アプリケーション
- 主要な製品
- PLC、DCS、PAC
- スマートメーター
- 電源
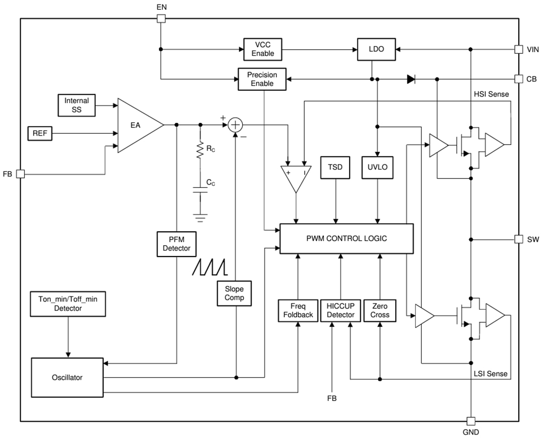
機能ブロック図
公開: 2024-03-05
| 更新済み: 2025-08-01
