Texas Instruments LMR544xxは、1.1MHzのスイッチング周波数で動作し、ソリューションサイズを最適化するための比較的小さなインダクタの使用をサポートします。軽負荷での高効率を実現するPFMバージョンと、全負荷範囲で一定周波数と小さな出力電圧リップルを実現するFPWMバージョンを備えています。ソフトスタートおよび補償回路は内部に実装されているため、最小限の外付け部品でデバイスを使用できます。
デバイスには、サイクル・バイ・サイクルの電流制限、ヒカップモードの短絡保護、過度の電力損失が発生した場合の熱シャットダウンといった内蔵保護機能があります。
特徴
- 機能安全対応
- 機能安全システム設計を支援する文書を利用可能
- 堅牢な産業用アプリケーション用に設定されています。
- 4V~36V入力電圧範囲
- 最大50Vの短絡に耐えるVINトランジェント
- 連続出力電流:0.6A/1A
- 最小60nsスイッチON時間
- 1.1MHz固定スイッチング周波数
- –40°C~150°C接合部温度範囲
- 98%最大のデューティーサイクル
- プリバイアス出力による単調なスタートアップ
- ヒカップモード付き短絡保護
- 高精度イネーブル
- ±1%許容電圧リファレンス
- 小型ソリューションサイズと使いやすさ
- 同期整流器内臓
- 使用が簡単になる内部補償
- SOT-23パッケージ
- LMR14010A、LMR50410、TPS560430とのピン対ピン互換性あり
- ピン・ツー・ピン互換パッケージでのさまざまなオプション
- PFMおよび強制PWM(FPWM)オプション
アプリケーション
- 主要な製品
- PLC、DCS、PAC
- スマートメーター
- 汎用ワイドVIN電源
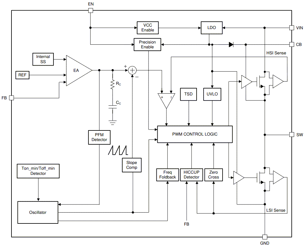
機能ブロック図
公開: 2022-03-11
| 更新済み: 2022-09-12

