Texas Instruments LMX1204 JESDバッファ/マルチプレクサ/ディバイダ
Texas Instruments LMX1204 JESDバッファ/マルチプレクサ/ディバイダは、高周波機能と極めて低いジッタを備えています。この機能により、信号対雑音比を劣化させることなく、クロック精度や高周波データ・コンバータへの優れたアプローチが可能になります。4つの高周波クロック出力と、より大きなディバイダ範囲の追加LOGICLK出力のそれぞれは、SYSREF出力クロック信号とペアになっています。JESDインターフェイスのSYSREF信号は、内部で生成することも、入力として渡してデバイス クロックに再クロックすることもできます。データ・コンバータ・クロッキングのアプリケーションでは、クロック・ジッタがデータ・コンバータのアパーチャ・ジッタよりも小さいことが重要です。4つ以上のデータ・コンバータがクロックされべきであるアプリケーションで、必要な高周波クロックとSYSREF信号をすべて分配するように複数のデバイスを使用して、さまざまなカスケード・アーキテクチャを開発できます。低ジッタとノイズ・フロアにより、Texas Instruments LMX1204は、超低ノイズ基準クロック・ソースと組み合わされ、特に3GHz以上のサンプリング時に、データ・コンバータのクロッキング用として最適な選択となります。特徴
- 出力周波数:300MHz~12.8GHz
- 超低ノイズ
- ノイズフロア-161dBc/Hz(6GHz出力時)
- 1/fノイズ -154dBc/Hz(6GHz出力時、10kHzオフセットで)
- 5fs ジッタ (12kHz~20MHz)
- < 30fs 付加ジッタ(DC~fCLK)
- 対応するSYSREF出力を備えた4つの高周波クロック
- ÷1(バッファモード)、÷2、3、4、5、6、7、8をサポートする共有デバイダ
- x1(フィルタ・モード)、x2、x3、x4をサポートする共有PLLベースの乗算器
- LOGICLKおよび対応するSYSREF出力
- 別々の分割された銀行で
- ÷1、2、4プリディバイダ
- ÷1(バイパス)、2、...、1023ポストディバイダ
- 8つのプログラム可能な出力電力レベル
- 同期SYSREFクロック出力
- 12.8GHzでそれぞれ2.5ps未満の508遅延ステップ調整
- ジェネレータモードとリピーター・モード
- タイミングを最適化するためのSYSREFREQピンのウィンドウ機能
- すべての分割と複数のデバイスへのSYNC機能
- 2.5Vの動作電圧
- 動作温度:-40ºC~85ºC
アプリケーション
- テストと測定
- オシロスコープ
- ワイヤレス機器テスター
- 広帯域デジタイザ
- 汎用
- データ・コンバータのクロック供給
- クロックバッファ分配/分割
- 航空宇宙・防衛
- レーダー
- 電子戦
- シーカー・フロント・エンド
- 軍需品
- 位相アレイアンテナ/ビームフォーミング
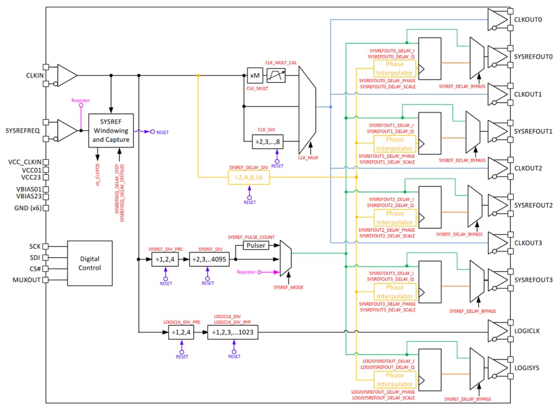
機能ブロック図
公開: 2024-06-21
| 更新済み: 2024-06-25
