Texas Instruments LP873220/LP873220-Q1コンバータおよびレギュレータ
Texas Instruments LP873220/LP873220-Q1デュアル大電流バック・コンバータおよびリニア・レギュレータは、車載用カメラおよびレーダー・アプリケーションの要件を満たす上で最適です。LP873220/LP873220-Q1は、降圧DC-DCコンバータ2台とリニア・レギュレータ2台で構成されており、さまざまな汎用デジタル出力信号を実現しています。このデバイスは、外付け電流センス・レジスタが不要で、負荷電流計測をサポートしています。2.8V~5.5Vの入力電圧、構成可能な汎用出力信号(GPO、GPO2)、-40°C~+125°Cの温度範囲が特徴です。LP873220/LP873220は、自動車アプリケーションを対象としたAEC-Q100の認定を受けています。LP873220/LP873220-Q1は、I2C互換シリアル・インターフェイスとイネーブル信号によって制御されています。自動PWM-PFM(AUTOモード)動作は、広い出力電流範囲にわたって効率を最大化します。このデバイスは、レギュレータ出力とポイントオブロード(POL)の間のIR降下を補償するリモート電圧センシングによって、出力電圧の精度を向上します。また、スイッチングクロックは、PWMモードに強制でき、外部クロックに同期させることにより妨害を最小限に抑えています。
特徴
- 入力電圧範囲: 2.8V~5.5V
- 高効率降圧DC-DCコンバータ2台:
- 出力電圧: 0.7V~3.36V
- 最大出力電流2A
- プログラマブル出力電圧スルーレート0.5mV/µs~10mV/µs
- 2MHzのスイッチング周波数
- EMI低減のためのスペクトラム拡散モードおよび位相インターリーブ
- リニア・レギュレータ2台:
- 入力電圧範囲: 2.5V~5.5V
- 出力電圧: 0.8V~3.3V
- 最大出力電流300mA
- 構成可能な版票出力信号(GPO、GPO2)
- プログラマブル・マスキング搭載割り込み機能
- プログラマブル・パワーグッド信号(PGOOD)
- 出力短絡および過負荷保護
- 過熱の警告と保護
- 過電圧保護(OVP)および低電圧ロックアウト(UVLO)
- ウェッタブルフランク付き28ピン、5mm×5mm VQFNパッケージ
- (LP873220-Q1)AEC-Q100で品質評価済み、結果は以下のとおりです。
- デバイス温度グレード1: –40°C~125°Cの動作周囲温度
アプリケーション
- 車載用ヘッドユニットとクラスタ
- 車載用カメラモジュール
- サラウンドビュー・システムECU
- レーダーシステムECU
- 車載用ディスプレイ
データシート
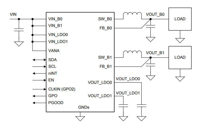
回路図
公開: 2018-11-15
| 更新済み: 2023-07-19
