自動PFM/PWM(AUTOモード)動作は、広い出力電流範囲にわたって効率を最大化します。LP87524x-Q1は、レギュレータ出力とポイントオブロード(POL)の間のIRドロップを補償するためのリモート電圧検出に対応しており、出力電圧の精度が向上しています。さらに、スイッチングクロックは、強制的にPWMモードにでき、外部クロックに同期させることにより妨害を最小限に抑えています。
特徴
- 車載アプリケーション向けに品質評価済み
- AEC-Q100で品質評価済み、結果は以下のとおり:
- デバイス温度グレード1: –40°C~125°Cの動作周囲温度
- 入力電圧範囲: 2.8V~5.5V
- 出力電圧: 0.6V~3.36V
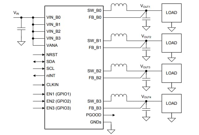
- 高効率降圧DC-DCコンバータ・コア 4個
- 総出力電流: 最高10A
- 出力電圧スルーレート: 3.8mV/µs
- 4MHzのスイッチング周波数
- スペクトラム拡散モードおよび位相インターリーブ
- 構成可能な汎用I/O (GPIO)
- I2C互換インターフェイスで、標準(100kHz)、高速(400kHz)、高速+(1MHz)、超高速(3.4MHz)モードをサポート
- プログラマブル・マスキング搭載割り込み機能
- プログラマブル・パワーグッド信号(PGOOD)
- 出力短絡および過負荷保護
- 過熱の警告と保護
- 過電圧保護(OVP)および低電圧ロックアウト(UVLO)
アプリケーション
- 車載用インフォテイメント
- クラスタ
- レーダー
- カメラ電源
回路図
公開: 2017-09-18
| 更新済み: 2025-03-05

