このブーストコンバータには、LED電流シンクのヘッドルーム電圧に基づいた適応型出力電圧制御があります。この機能によって、すべての条件においてブースト電圧を最低の十分なレベルに調整することで、電力消費が最小限に抑えられます。Texas Instruments LP8872-Q1は、内蔵アナログ電流調光およびハイブリッドPWM調光をサポートしており、EMIを低減して全体的な光学効率を向上させ、LED寿命を延長します。
特徴
- -40°C~+125°C、TA のデバイス温度グレード1が備わっている車載アプリケーションを対象としたAEC-Q100認定済み
- 入力電圧動作範囲:3V ~ 48V
- 6の高精度電流シンク
- 各チャンネルで最大150mA DC電流
- 電流マッチング: 1%(標準)
- 152Hz LED出力PWM周波数を使用した32000: 1の高調光比
- I2C、またはPWM入力が備わった最大16ビットLED PWM調光分解能
- 各チャンネルの独立したPWM調光制御をサポート
- 最大48VのVOUT ブーストまたはSEPIC DC-DCコンバータ
- 統合5.4AスイッチングFET
- ブースト/sepic動作をサポート
- 60mΩのRDSON および高速スイッチングによるさらなる高効率
- EMI低減のためのブーストセレクタブルデュアルランダムスペクトラム拡散
- 調整可能なコンバータのソフトスタート
- 外部クロックからブーストスイッチング周波数を設定するブースト同期入力
- ブーストが無効になると出力電圧が自動的に放電
- 自動位相シフトPWM調光およびダイレクトPWM調光
- ハイブリッド調光と12ビットアナログ調光
- 拡張故障検出と保護
- 最大1MHzのI2C制御インターフェイス(CRCチェックあり)
- 内部構成レジスタおよび非揮発性メモリ(NVM)でのビット整合性(CRC)エラー検出
- 入力電圧OVP、UVLO、OCP
- ブースト過電流および過電圧保護
- LEDオープン、ショート、短絡に対する接地障害検出
- デバイスの温度警告とシャットダウン
- 小型ソリューション・サイズと低コスト
- 動的にプログラム可能な広いスイッチング周波数: 100kHz~2.2MHz
- 4mm×4mmHotRod™QFNパッケージ、ウェッタブルフランク付きで利用可能
アプリケーション
- バックライト
- 車載用インフォテインメントとクラスタ
- スマートミラー
- 中央情報ディスプレイ(CID)
- ヘッドアップ・ディスプレイ(HUD)
- カメラ監視システム
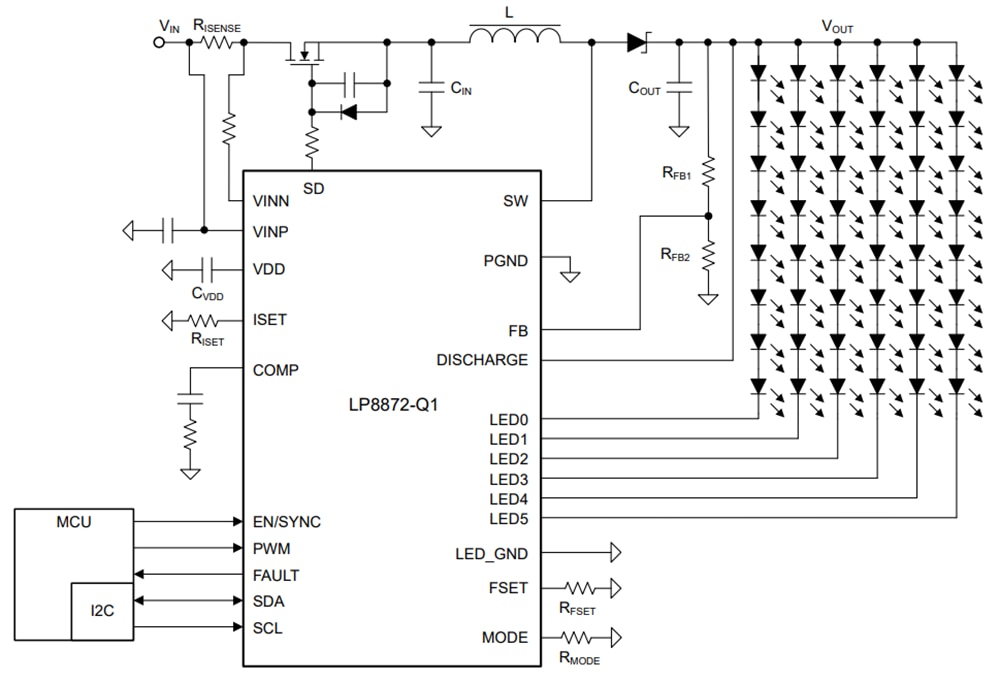
簡略図
公開: 2025-09-17
| 更新済み: 2025-09-28

