TILV14240コンバータは、デバイスの外付け部品を最小限に抑える内部ループ補償を備えています。精密イネーブル入力により、レギュレータ制御とシステム電源シーケンスの簡素化が可能です。また、LV14240は、サイクルごとの電流制限、サーマル・センシング、過大な電力消費によるシャットダウン、出力過電圧保護などの保護オプションも内蔵しています。
特徴
- 調整可能なスイッチング周波数: 200kHz ~ 2MHz
- 外部クロックへの周波数同期
- 使用が簡単になる内部補償
- 高負荷サイクル動作に対応
- 高精度イネーブル入力
- シャットダウン電流: 1µA
- 外部のソフト起動
- 熱、過電圧、ショート保護
- PowerPAD™パッケージの8ピンSOIC
アプリケーション
- 自動車バッテリ規制
- 産業用電源
- テレコムおよびデータコムシステム
回路図
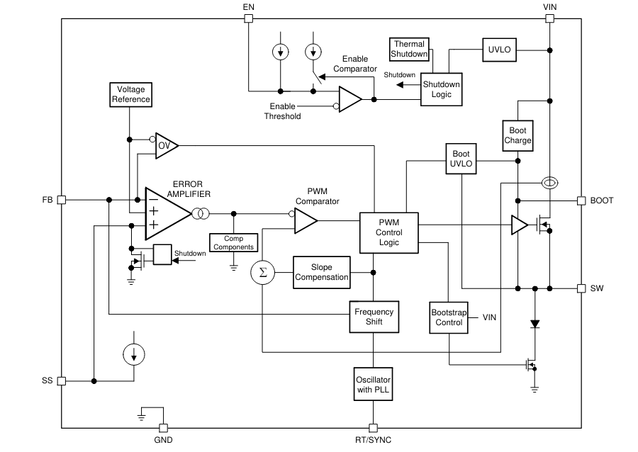
機能ブロック図
公開: 2024-05-14
| 更新済み: 2024-05-22

