Texas Instruments LV14360 60V 3A降圧レギュレータ
Texas Instruments LV14360 60V 3A降圧型レギュレータには、統合ハイサイドMOSFETが装備されています。4.3V ~ 60Vの広い入力範囲が備わっており、非安定化源からの電力調節を目的としたさまざまな工業および車載アプリケーションに適しています。レギュレータの自己消費電流はスリープモードで300µAで、バッテリ駆動システムに最適です。シャットダウンモードでの超低1µA電流は、バッテリ寿命をさらに延長できます。スイッチング周波数範囲が広いため、効率性または外付け部品サイズのいずれかを最適化できます。ループ補償回路が内蔵されているため、ユーザはループ設計という面倒な作業をする必要がありません。この特徴によって、デバイスの外付け部品数も最低限度まで削減します。高精度イネーブル入力は、レギュレータ制御とシステム電源のシーケンシングを簡略化します。また、サイクル毎の電流制限、熱センシング、過度の電力損失によるシャットダウン、出力過電圧保護といった内蔵保護機能もあります。Texas Instruments LV14360は、8ピン、4.89mm × 3.9mm HSOICパッケージでご用意があり、低熱抵抗のための露出パッドが備わっています。特徴
- 入力範囲:4.3V~60V
- 3Aの連続出力電流
- 動作自己消費電流: 300µA
- ハイサイドMOSFET: 155mΩ
- 電流モード制御
- 200kHz~2MHzの調節可能なスイッチング周波数
- 外部クロックへの周波数同期
- 使用が簡単になる内部補償
- 高負荷サイクル動作に対応
- 高精度イネーブル入力
- シャットダウン電流: 1µA
- 熱、過電圧、ショート保護
- PowerPAD™パッケージ搭載の8ピンHSOIC
アプリケーション
- 産業用電源
- 通信機器とデータコムモジュール
- 汎用ワイドVIN 安定化
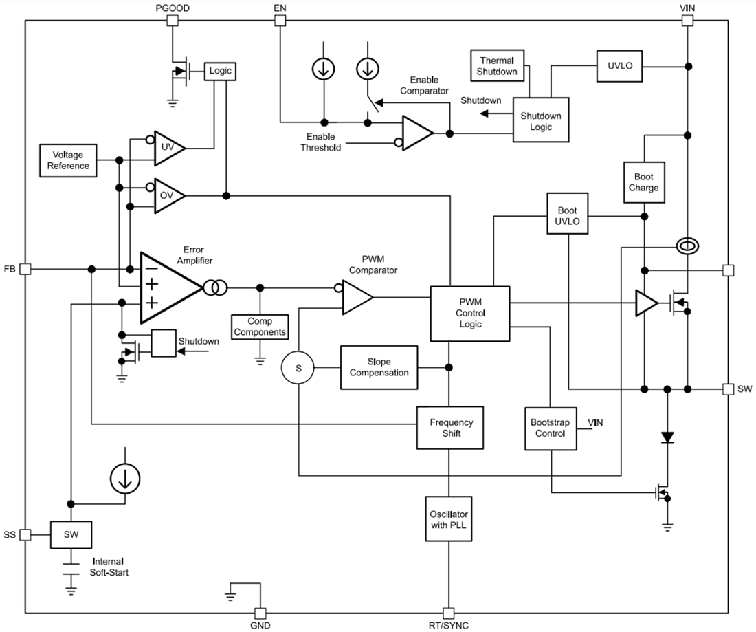
機能ブロック図
公開: 2020-12-07
| 更新済み: 2024-10-11
