Texas Instruments MSP430FR2422超低消費電力マイクロコントローラ
Texas Instruments MSP430FR2422超低消費電力マイクロコントローラ(MCU)は、MSP430™バリューライン・マイクロコントローラ(MCU)ポートフォリオの一部で、センシングと計測の各アプリケーションを対象としたTIの最低コストクラスのファミリのMCUです。MSP430FR2422 MCUは、8KBの不揮発性メモリを実現しており、8チャンネル10ビットADCが備わっています。専用低消費電力モードと組み合わされたアーキテクチャ、FRAM、統合周辺機器は、ポータブルバッテリ駆動センシングアプリケーションでの拡張バッテリ寿命を達成するように最適化されています。これらのMCUには、独自の組み込みFRAMおよび総合的な超低消費電力システムアーキテクチャが組み合わされており、システム設計者はエネルギー消費を抑えつつ性能を向上させることができます。FRAMテクノロジーには、低エネルギー高速書込、柔軟性、不揮発性のフラッシュに伴うRAMの耐久性が組み合わされています。特徴
- 組込みマイクロコントローラ
- 16ビットRISCアーキテクチャ
- クロックが最大16MHzの周波数に対応
- 幅広い電源電圧範囲: 2.0V~3.6V
- 最適化された超低消費電力モード
- アクティブモード: 120µA/MHz(typ)
- スタンバイ: LPM3.5、32768Hz水晶搭載リアルタイムクロック(RTC)カウンタ: 710nA(typ)
- シャットダウン(LPM4.5): SVSなし36nA
- 低消費電力Ferroelectric RAM(FRAM)
- 最大7.5KBの不揮発性メモリ
- 内蔵エラー補正コード(ECC)
- 構成可能な書き込み保護
- 一元化されたプログラム、定数、およびストレージ
- 1015回の書き換えサイクル耐久性
- 耐放射線性および非磁性
- 最大4:1の高FRAM対SRAM比率
- 高性能アナログ
- 最大8チャンネル10ビットアナログデジタルコンバータ(ADC)
- インテリジェントなデジタル周辺機器
- ピンリマップ機能サポート付き拡張シリアル通信
- クロックシステム(CS)
- 一般的な入力/出力およびピン機能
- パッケージオプション
- 20ピン: VQFN (RHL)
- 16ピン: TSSOP (PW)
アプリケーション
- 産業用センサ
- バッテリパック
- ポータブル機器
- 電動歯ブラシ
- 低消費電力の医療、健康、フィットネス
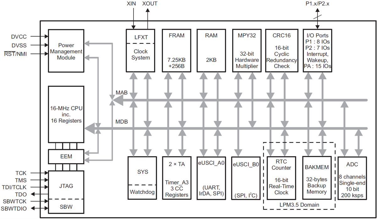
機能ブロック図
公開: 2018-06-12
| 更新済み: 2025-04-16
