Texas Instruments OPA180 ゼロ ドリフト オペレーショナル アンプ
テキサス・インスツルメンツのゼロドリフト・オペ・アンプOPA180は、ゼロドリフト技術を使用し、低オフセット電圧(75μV)と、時間経過と温度変化に対するほぼゼロのドリフト(0.1μV/°C)を同時に提供します。この小型で高精度の525μA(最大)低零入力電流アンプは、高い入力インピーダンス、1/fの非常に低いノイズ、レールから18mV以内のレール・ツー・レー出力振幅を達成します。入力コモンモード範囲には、ネガティブ・レールが含まれます。-40°C~105°Cで動作するように規定されてるゼロドリフト・オペ・アンプOPA180は、ブリッジ・アンプ、歪みゲージ、テスト装置、トランスデューサ用アプリケーション、温度測定、電子スケール、医療機器、抵抗熱検出器、高精度アクティブ・フィルタに非常に適しています。特徴
- 75µV (max) Low Offset Voltage
- 0.1µV/°C Zero-Drift
- 10nV/√Hz Low Noise
- Low 1 / f Noise
- DC Precision
- 126dB PSRR
- 114dB CMRR
- 120dB Open-Loop Gain (AOL)
- 525µA (max) Quiescent Current
- ±2V to ±18V Wide Supply Range
- Rail-to-Rail Output (Input Includes Negative Rail)
- 250pA (typ) Low Bias Current
- RFI Filtered Inputs
- MicroSIZE Packages
アプリケーション
- Bridge Amplifiers
- Strain Gauges
- Test Equipment
- Transducer Applications
- Temperature Measurement
- Electronic Scales
- Medical Instrumentation
- Resister Thermal Detectors
- Precision Active Filters
Datasheets
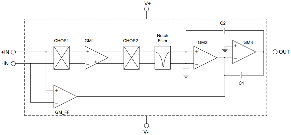
Functional Block Diagram
公開: 2014-08-28
| 更新済み: 2022-03-11
