Texas Instruments OPAx187ゼロドリフトオペレーショナルアンプ
Texas Instruments OPAx187ゼロドリフトオペレーショナルアンプは、オートゼロ方式を採用して、低いオフセット電圧(1μV)と、時間や温度の変化に対してほぼゼロのドリフト係数を同時に実現しています。これらのアンプは小型、高精度で、静止電流が低く、入力インピーダンスが高く、高インピーダンスの負荷に対してレールの5mV以内のレール・ツー・レール出力を供給します。入力同相範囲には、負のレールも含まれます。4.5V~36Vの範囲(±2.25Vから±18Vまで)の単一電源または両電源を使用できます。シングルバージョンのOPAx187デバイスは、Microsizeの8ピンVSSOP、5ピンSOT-23、8ピンSOICパッケージで供給されます。デュアルバージョンは、8ピンVSON、8ピンVSSOP、8ピンSOICパッケージで提供されています。クワッドバージョンは、14ピンSOおよび14ピンTSSOPパッケージでご提供します。特徴
- 低オフセット電圧: 10µV(最高)
- ゼロドリフト: 0.005µV/°C
- 低ノイズ: 20nV/√Hz
- PSRR: 160dB
- CMRR: 140dB
- AOL: 160dB
- 自己消費電流: 100µA
- 広い供給電圧: ±2.25V~±18V
- レールツーレール出力動作
- 入力にはネガティブレールを含む
- 低バイアス電流: 100pA(標準)
- EMIフィルタ付入力
- 超小型パッケージ
アプリケーション
- ブリッジアンプ
- 歪みゲージ
- 試験機器および測定機器
- トランスデューサのアプリケーション
- 温度測定
- 電子スケール
- 医療計測機器
- RTDアンプ
- 高精度アクティブフィルタ
- ローサイド電流モニタリング
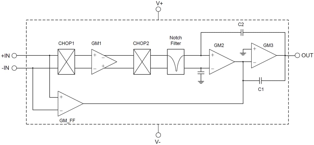
機能ブロック図
公開: 2017-02-10
| 更新済み: 2022-03-28
