Texas Instruments OPAx202高精度低消費電力動作アンプ
Texas Instruments OPAx202高精度低消費電力オペレーショナル・アンプは、TIの業界をリードする高精度Super β相補バイポーラ半導体プロセスで構築されています。このプロセスには、超低フリッカノイズ、低オフセット電圧、低オフセット電圧温度ドリフト、およびコモンモードと電源変動が備わった優れた直線性があります。OPAx202は、DC精度、ヘビー容量性負荷ドライブ、および外部EMI、熱、短絡に対する保護の優れた組み合わせを提供しています。このデバイスの供給電流は、±18Vで580µです。OPAx202シリーズには位相反転がなく、高容量性負荷で安定しています。このシリーズは、-40°C~+105°Cの温度範囲に完全に指定されています。特徴
- 高精度Super-β性能
- 低オフセット電圧: 200µV(最大)
- 超低ドリフト: 1µV/°C(最大)
- 優れた効率性
- 自己消費電流: 580µA(標準)
- ゲイン帯域幅製品: 1MHz
- 低入力電圧ノイズ: 9nV/√Hz
- 使いやすさ、設計の簡素さ
- ヘビー容量負荷ドライブ: 25μFで5μsのセトリング時間
- 超高入力インピーダンス: 3000GΩおよび0.5pF
- EMI硬化、熱および短絡保護
- 安定した性能
- 高CMRRおよびAOL: 126dB(最小)
- 高PSRR: 126dB(最小)
- 低バイアス電流: 2nA(最大)
- 低0.1Hz~10Hzノイズ: 0.2µVpp
- 広い供給電圧: ±2.25V~±18V
- OP-07とOP-27の代替品
アプリケーション
- センサ励起
- 同軸、電源プレーン、接地ドライバ
- 試験機器および測定機器
- トランスデューサのアプリケーション
- 温度測定
- 高精度アクティブフィルタ
- バッテリ駆動計器
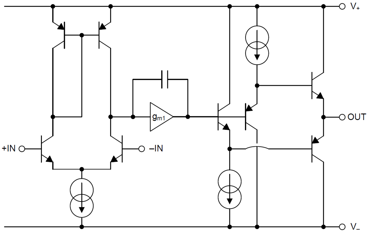
機能ブロック図
公開: 2018-04-18
| 更新済み: 2022-12-02
