Texas Instruments OPAx310/OPAx310-Q1オペアンプ
Texas Instruments OPAx310/OPAx310-Q1アンペアは、1.5V ~ 5.5Vの低電圧範囲を備えた、単一 (OPA310/OPA310-Q1) 、二重 (OPA2310) 、クワッドチャンネル (OPA4310) のアンプです。高出力電流オペアンプは、レールツーレール入出力スイング機能が特徴です。これらのアンプは、堅牢なESD性能を備えており、入力から正電源レールにダイオードが接続されていないフェイルセーフ入力ESD構造を備えています。OPAx310Sは、超高速シャットダウン応答を実現しており、一般的な有効化、無効化時間1µsを備え、アプリケーションにアンプシグナルチェーンのデューティサイクルが必要な場合、省電力を実現します。 TI OPAx310/OPAx310-Q1 オペアンプには、内部電流制限とサーマルシャットダウン保護が搭載されており、小型の標準パワーパッドパッケージに収められています。これによって、高出力電流での動作時の堅牢性改善を実現します。これらのオペアンプは、レールの極めて近くでスイングします。また、電源5.5Vでの温度における最小短絡電流は75mAです。追加の出力電流能力は、複数のオペアンプを慎重に並列接続し、達成されます。OPAx310を使用すると、入力オーバードライブ状態での位相反転がない設計な堅牢で集積RFIとEMI除去フィルタを活用した回路設計を簡素化できます。これらのデバイスは、3MHzのゲイン帯域幅で優れたAC性能をサポートし、持続的な振動なしに最大250pFの容量負荷を駆動できます。
OPAx310/OPAx310-Q1オペアンプは、LEDドライバ、LCDドライバ、レーザードライバ、TECドライバのアプリケーションに最適であり、リファレンスバッファ、ガードアンプ、またはディスクリートLDOとしても使用できます。
特徴
- 高い出力電流で±150mAの標準5.5V ISC
- シャットダウンからの高速イネーブルは標準1μs、標準0.9μs (OPAx310-Q1の場合)
- 1.5V~5.5Vワイド動作電源電圧
- 標準低入力オフセット電圧±250µV
- フェイルセーフ入力、入力からV+へのダイオードなし
- 165µA/ch(標準)最適化自己消費電流
- レール・ツー・レール入出力
- 利得帯域幅5.5Vで標準3MHz
- 標準熱ノイズフロア16nV/√Hz
- ユニティゲインで安定
- 持続的な振動なしで最大250pFのドライブを実現
- 内部RFIおよびEMIフィルタリング入力ピン
- 動作温度範囲: –40°C~125°C
アプリケーション
- 光学モジュール
- リファレンスバッファ、ガードアンプ
- マイクのプリアンプ
- 照明およびLEDドライバー
- ループドライバ4mA~20mA
- プログラム可能な電流ソース
- ローサイド電流センシング回路図
- AEC-Q100 グレード 1アプリケーション
電流センスによるAPD/LED/EMLバイアス
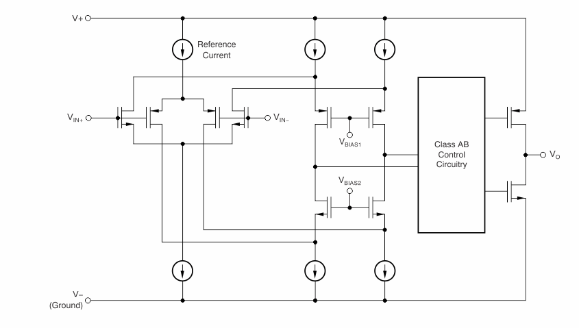
ブロック図
その他のリソース
公開: 2022-07-27
| 更新済み: 2025-05-15
