Texas Instruments PGA3020センサ・シグナルコンディショナ
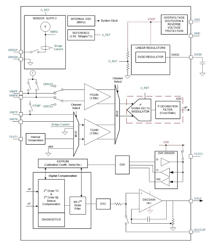
Texas Instruments PGA302センサ信号コンディショナには、0V~5Vレシオメトリック出力が搭載されており、アナログおよびデジタルの両方での低ドリフト・低ノイズ機能が備わっています。最大1mAのプログラマブル電流出力が備わった電流出力ソースと共に、2.5Vのブリッジ励起を生成します。16ビットシグマデルタADCが続く2つの同一のアナログ・フロントエンド(AFE)チャンネルは入力で利用できます。さらに、各AFEチャンネルには、専用のプログラマブル・ゲイン・アンプがあり、最大200V/Vのゲインが備わっています。PGA302センサ・シグナル・コンディショナには、ピエゾ抵抗、セラミックフィルム、歪みゲージ、スチールメンブレンを始めとするさまざまなセンシング素子のタイプが備わっています。その他の機能には、メモリ内蔵セルフテスト(MBIST)、ウォッチドッグ・タイマとパワーマネジメント制御があります。特徴
- デュアルチャンネル・アナログフロントエンド
- オンチップ温度センサ
- プログラマブル・ゲイン: 最大200V/V
- 16ビット・シグマデルタ型アナログ・デジタル・コンバータ
- 3次直線性補償アルゴリズム
- デバイス構成、較正データ、ユーザデータ用のEEPROMメモリ
- I2Cインターフェイス
- 電力線による1線式インターフェイス
- AFEセンサ入力、電源、出力バッファ診断
- メモリ内蔵セルフテスト(MBIST)
- 監視
- 電源管理制御
アプリケーション
- パワートレイン圧力センサ
- パワートレイン排気センサ
- HVACセンサ
- シート占有センサ
- ブレーキ装置
- バッテリ管理システム(BMS)
Additional Resources
PGA302のブロック図
公開: 2018-03-26
| 更新済み: 2023-10-30
