Texas Instruments PGA849アーキテクチャは、高解像度・高精度アナログ・デジタル・コンバータ(ADC)の入力を駆動するように最適化されており、追加のADCドライバを必要とせずに最大1MSPSまでのサンプリングレートが備わっています。出力段電源は入力段から分離され、ADCまたは下流デバイスをオーバードライブの損傷から保護します。
スーパーベータ入力トランジスタには、驚くほど低い入力バイアス電流が備わっており、0.3pA/√ Hzの非常に低い入力電流ノイズ密度を実現しているため、PGA849は事実上あらゆるセンサタイプにとって汎用性の高い選択です。低ノイズ電流フィードバック・フロントエンド・アーキテクチャには、高周波数であっても比類のないゲイン平坦性が備わっており、PGA849は優れた高インピーダンス・センサ・リードアウト・デバイスとなっています。入力ピンの集積保護回路は、電源電圧を超える最大±40Vの過電圧に対処できます。
特徴
- 差動からシングルエンドへの変換
- G (V/V) = 1/8、1/4、1/2、1、2、4、8、16 の8つのピンプログラマブルバイナリゲイン
- ±2ppm/°C(最大)の低ゲイン誤差ドリフト
- 高速信号処理
- すべてのゲインで10MHzの広帯域幅
- G≧V/Vで35V/µsの高いスルー・レート
- 700ns~0.01%、950ns~0.0015%のセトリング時間
- G = 16V/Vで8.6nV/√Hzの入力段ノイズ
- より良いSNRを達成するフィルタオプション
- 電源を超えた±40Vへの入力過電圧保護
- 入力段供給範囲
- 8V~36Vの単電源
- ±4V~±18Vのデュアル供給
- 独立した出力電源ピン
- 出力段供給範囲
- 4.5V~36Vの単電源
- ±2.25V~±18Vのデュアル供給
- -40°C~+125°Cの指定温度範囲
- 3mm × 3mm QFN小型パッケージ
アプリケーション
- ファクトリーオートメーションと制御
- アナログ入力モード
- データ収集(DAQ)
- 試験と計測
- パラメトリック測定ユニット(PMU)
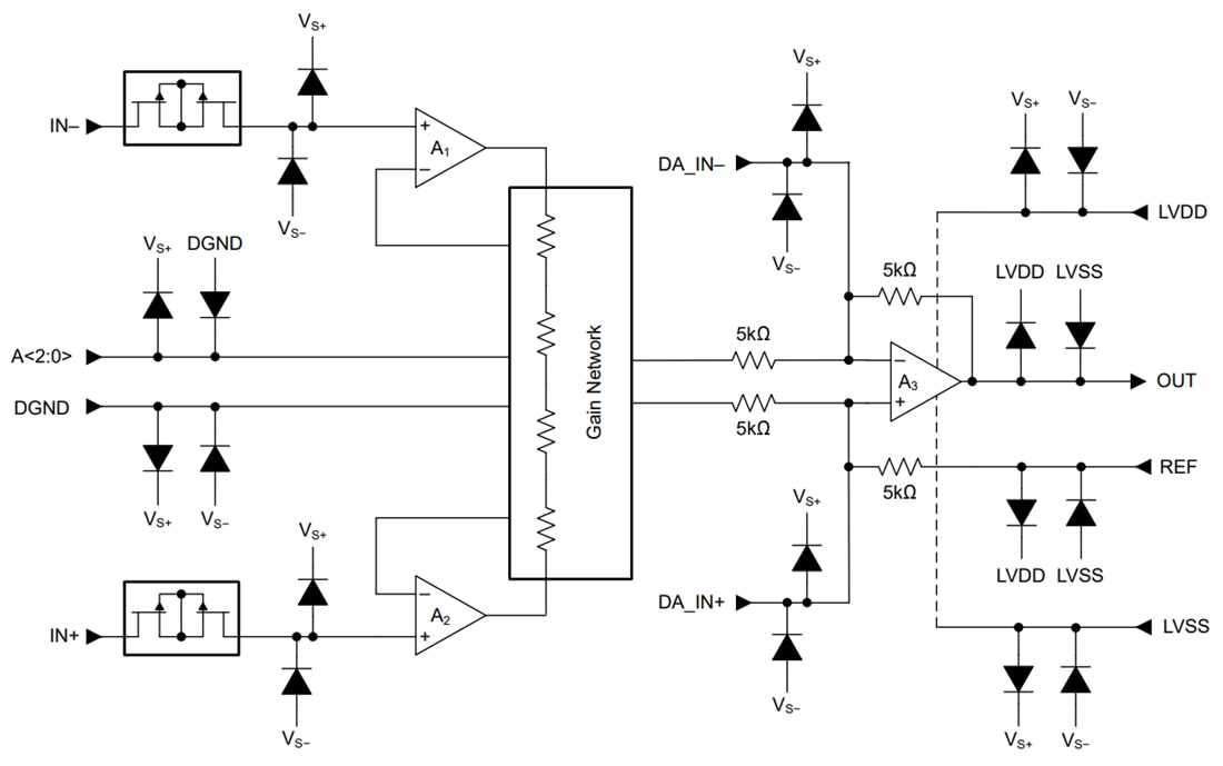
機能ブロック図
公開: 2025-02-04
| 更新済み: 2025-02-11

