Texas Instruments SN65LVDS302ディスプレイ・シリアルインターフェイス・レシーバ
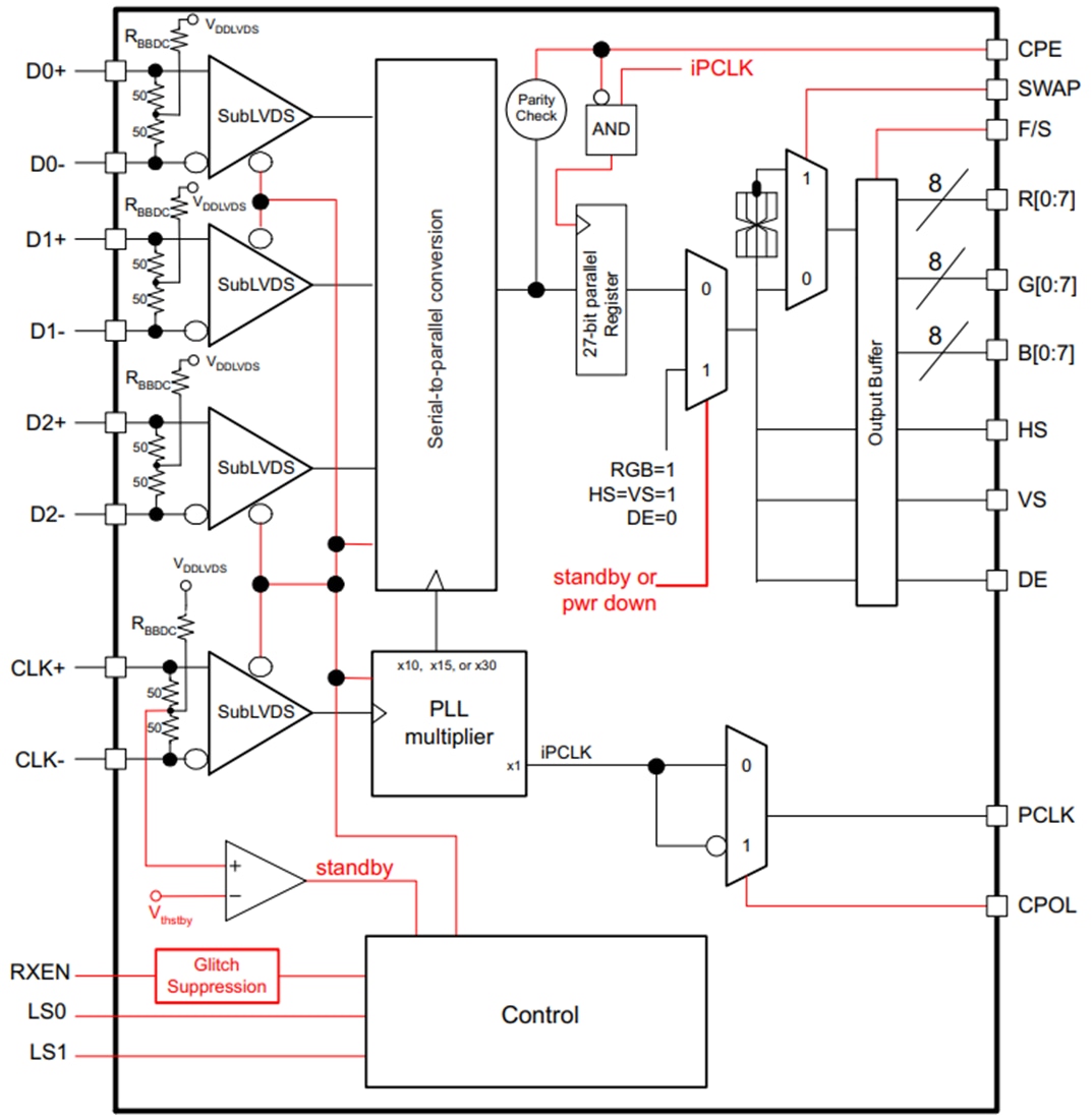
Texas Instruments SN65LVDS302プログラマブル27ビット対応ディスプレイ・シリアルインターフェイス・レシーバーは、FlatLink™ 3G準拠のシリアル入力データを27のパラレルデータ出力に逆シリアル化します。Texas Instruments SN65LVDS302レシーバには、1、2、または3つのシリアル入力から30ビットをロードする1つのシフトレジスタが搭載されています。パリティビットをチェックした後で24ピクセルビットと3つの制御ビットをパラレルCMOS出力に出力します。パリティチェックで正しいパリティが確認されると、チャンネルパリティエラー(CPE)出力は「低」のままになります。パリティエラーが検出されるとCPE出力が高パルスを生成し、データ出力バスは新たに受信したピクセルを無視します。代わりに、最後のデータワードは、別のクロックサイクルのために出力バス上に保持されます。特徴
- シリアルインターフェース技術
- SN65LVDS301 といったFlatLink™ 3Gとの互換性あり
- 最大24ビットRGBデータのビデオインターフェイス、および1、2、または3つのSubLVDS差動ラインで受信される3つの制御ビットをサポート
- 電力を節約する3つの動作モード
- アクティブモードQVGA 17mW
- 標準シャットダウン0.7µW
- 標準待機モード27µW(標準)
- SubLVDS差動電圧レベル
- 最大1.755Gbpsデータスループット
- PCBレイアウトの柔軟性を目的としたバススワップ機能
- ESD 定格> 4kV (HBM)
- 4MHz–65MHzのピクセルクロック範囲
- すべてのCMOS入力でのフェイルセーフ
- 5mm × 5mm nFBGA(0.5mmボールピッチ)にパッケージ化
- SAE J1752/3「Kh」の仕様に適合する非常に低いEMI
アプリケーション
- ウェアラブル(非医療用)
- タブレット
- 携帯電話
- 携帯用電子機器
- ゲーム機
- 小売オートメーションと決済
- ビル用オートメーション
機能ブロック図
公開: 2020-12-17
| 更新済み: 2024-10-21
