Texas Instruments SN74AC595/SN74AC595-Q1 8ビット・シフト・レジスタ
Texas Instruments SN74AC595/SN74AC595-Q1 8ビットのシフト・レジスタには、8ビットDタイプのストレージ・レジスタを提供する、8ビット直列入力/並列出力のシフト・レジスタが含まれています。この構成により、出力が静的なまま、データをシフト レジスタにロードできます。TISN74AC595/SN74AC595-Q1は、出力のディセーブルを容易にするために3状態出力を備えています。これらのデバイスは、シフトレジスタを直列に接続するための個別のシフトレジスタ出力(QH')を提供します。SN74AC595-Q1は、自動車アプリケーションを対象としたAEC-Q100認定を受けています。特徴
- 自動車アプリケーション用にAEC-Q100認定済み(SN74AC595-Q1):
- デバイス温度グレード1:-40°C~+125°C
- デバイスHBM ESD分類レベル2
- デバイスCDM ESD分類レベルC4B
- 1.5V ~ 6Vの広い動作範囲
- 6Vまでの電圧を受け入れる入力
- 連続出力ドライブ:5Vで±24mA
- 短いバーストで最大±75mAの出力駆動 (5V時) に対応
- 50Ω伝送ラインをドライブ
- 最大tpd 12ns(5V、50pF負荷時)
アプリケーション
- 出力拡張
- LEDマトリックス制御
- 7セグメントディスプレイ制御
データシート
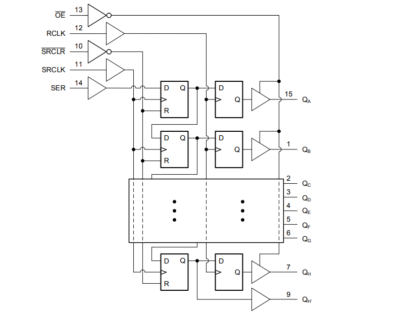
論理図(正論理)
公開: 2024-07-19
| 更新済み: 2024-10-18
