Texas Instruments SN74AC596/SN74AC596-Q1 SIPOシフトレジスタ
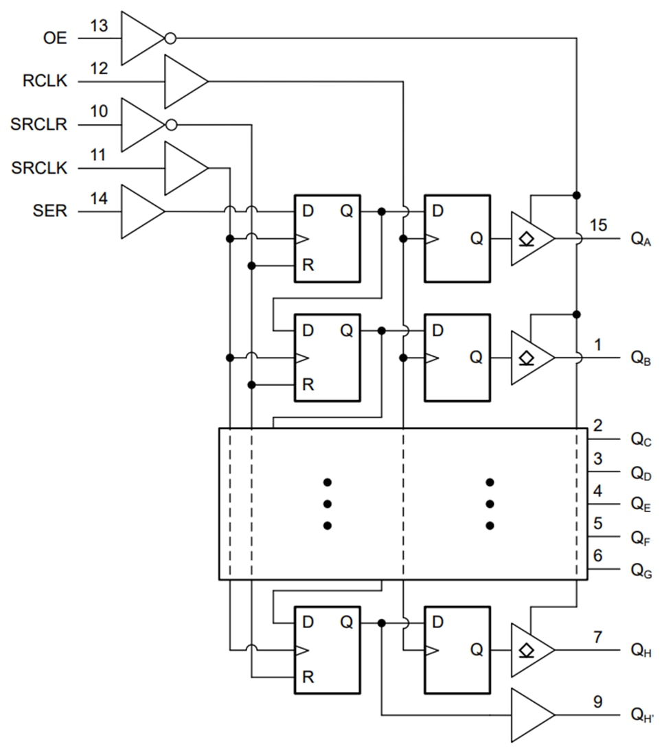
Texas Instruments SN74AC596/SN74AC596-Q1 SIPOシフトレジスタには、8ビットのシリアル入力パラレル出力(SIPO)シフトレジスタが搭載されており、8ビットのDタイプ・ストレージレジスタを供給します。このストレージレジスタは、パラレルオープンドレイン出力を備えています。個別のクロックは、ストレージレジスタとシフトレジスタの両方に、それぞれ独立したクロックが供給されます。シフトレジスタは、 ダイレクトオーバーライディングクリア(SRCLR)入力、 カスケード用シリアル出力(QH’)を備えています。出力イネーブル(OE)入力が高の場合、出力は高インピーダンス状態になります。内部レジスタデータは、OE\入力の動作による影響を受けません。Texas Instruments SN74AC596-Q1は、自動車アプリケーションのAEC-Q100認定を取得しています。特徴
- 幅広い動作範囲:1.5V〜6V
- 6Vまでの電圧を受け入れる入力
- 連続±24mA出力駆動 (5V時)
- 短いバーストで最大±75mAの出力駆動(5VIN時)に対応
- 50Ω伝送ラインを駆動
- 5V、50pF負荷時の最大tpd = 11.4ns
アプリケーション
- マイクロコントローラの出力数増加
- 最大8ビットのデータを一時的に保存
機能ブロック図
公開: 2025-03-25
| 更新済み: 2025-05-06
