Texas Instruments SN74ACT238/SN74ACT238-Q1 3ライン入力8ライン出力デコーダ / デマルチプレクサ
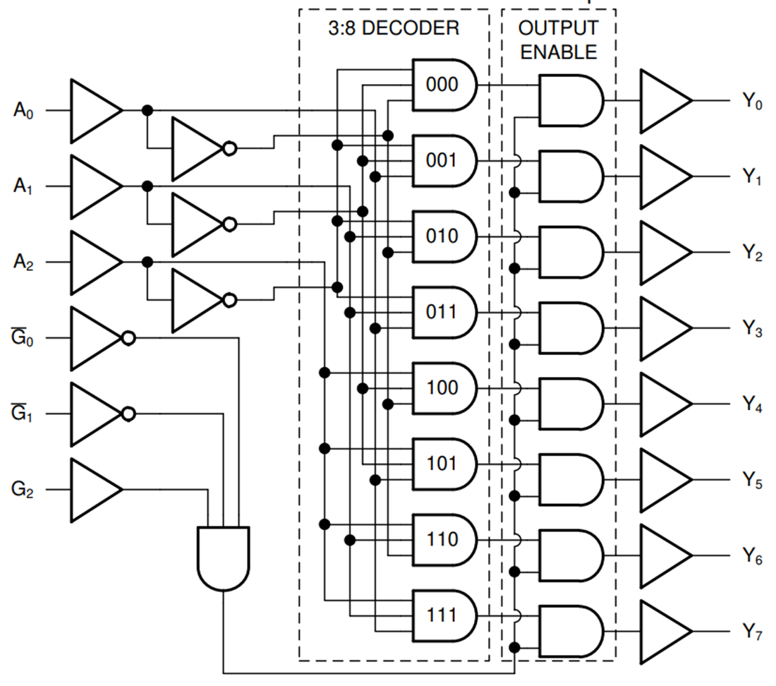
Texas Instruments SN74ACT238/SN74ACT238-Q1 3ライン入力8ライン出力デコーダ / デマルチプレクサには、1つの標準出力ストローブ(G2)と2つのアクティブLOW出力ストローブ(G1、G0)が含まれます。チャンネルストローブ入力がすべてアクティブの場合、選択された出力のみがHighになり、その他の出力はすべてLowになります。いずれかのストローブ入力が非アクティブの場合、すべての出力が強制的にLow状態になります。Texas Instruments SN74ACT238-Q1デバイスは、AEC-Q100自動車アプリケーション向けに認定済みです。特徴
- 動作電圧範囲: 4.5V〜5.5V
- TTL互換入力
- 連続±24mA 出力ドライブ(5V時)
- 短いバーストで最大±75mAの出力駆動 (5V時) に対応
- 50Ω伝送ラインをドライブ
- 遅延時間10.9ns(最大)の高速動作
アプリケーション
- 共有データバスによるメモリデバイスの選択
- ルートデータ
- チップセレクトアプリケーションに必要な出力数を削減
機能図
公開: 2025-02-18
| 更新済み: 2025-05-06
