Texas Instruments SN74ACT2G101/Q1デュアル構成可能なデータフリップフロップ
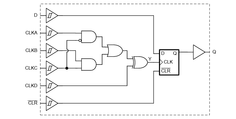
テキサス・インスツルメンツ (Texas Instruments) SN74ACT2G101/Q1 デュアル 構成可能データフリップフロップは、立ち上がりエッジトリガ方式の構成可能ロジッククロック、アクティブ LOW クリア、およびデータ入力機能を備えています。クロック入力は、バッファ、インバータ、AND、OR、NAND、NOR、XOR、XNORを含む、複数の1入力および2入力ロジック機能に構成可能です。すべての入力にシュミットトリガ構造を採用し、低速またはノイズのある入力信号をサポートします。TI SN74ACT2G101-Q1フリップフロップは、自動車アプリケーション用に AEC-Q100認定済みです。
特徴
- 車載アプリケーション向けにAEC-Q100認定済み:
- デバイス温度グレード1:-40°~+125°C
- デバイスHBM ESD分類レベル2
- デバイス CDM ESD耐性分類レベル:C4B
- ウェッタブルフランク付きQFNパッケージで入手可能
- 動作電圧範囲:4.5V~5.5V
- TTL互換シュミットリガ入力によって、低速またはノイズが多い入力信号をサポート
- 5Vで±24mAの連続出力ドライブ
- 短いバーストで最大±75mA出力駆動をサポート(5V時)
- 50Ω伝送ラインをドライブ
- 遅延時間10.5ns(最大)の高速動作
アプリケーション
- コントローラのリセット中に信号を保持
- 低速エッジレート信号の入力
- ノイズの多い環境での動作
データシート
論理図(正論理)
公開: 2026-01-09
| 更新済み: 2026-01-21
