Texas Instruments SN74ACT595/SN74ACT595-Q1 SIPOシフトレジスタ
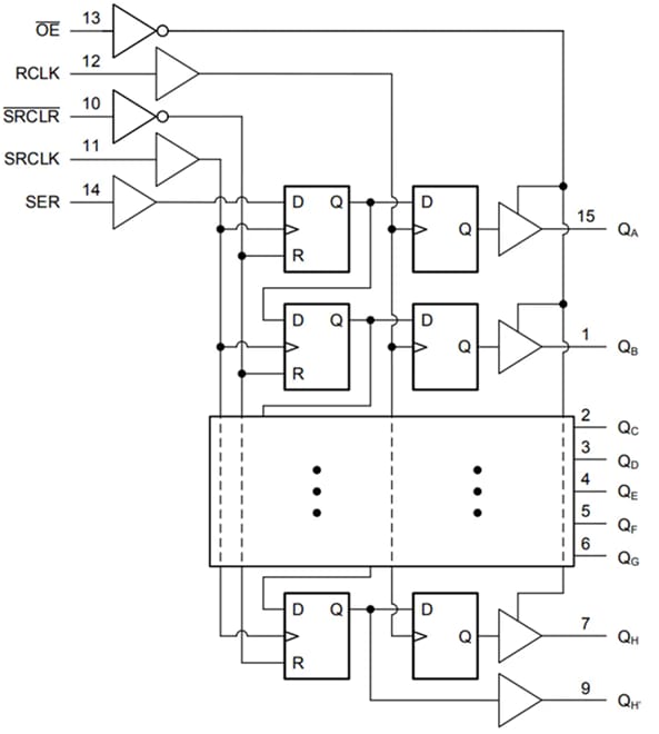
Texas Instruments SN74ACT595/SN74ACT595-Q1 8ビット・シリアル入力パラレル出力(SIPO)シフトレジスタは、8ビットのDタイプ・ストレージレジスタにデータを供給します。このストレージレジスタには、パラレル出力があります。レジスタとシフトレジスタの両方に個別のクロックが提供されます。シフトレジスタには、直接オーバーライドクリア(SRCLR)入力、 シリアル(SER)入力、 およびカスケード接続用のシリアル出力(QH’)があ ります。レジスタ出力は、出力イネーブル(OE\)入力が「高」の場合、レジスタ出力はハイインピーダンス状態になります。OE\入力の動作は、内部レジスタデータに影響を与えません。Texas Instruments SN74ACT595-Q1デバイスは、自動車アプリケーション向けのAEC-Q100認定を受けています。特徴
- 動作電圧範囲: 4.5V~5.5V
- TTL互換入力
- 5Vでの連続±24mA出力ドライブ
- 5Vin時に短いバーストで最大±75mAの出力ドライブに対応
- 50Ω伝送ラインを駆動
- 遅延11.9ns(最大)の高速動作
アプリケーション
- マイクロコントローラの出力数を増やす
- 最大8ビットのデータを一時的に保存
機能図
公開: 2025-02-18
| 更新済み: 2025-05-06
