Texas Instruments SN74ACT596/SN74ACT596-Q1 SIPOシフト・レジスタ
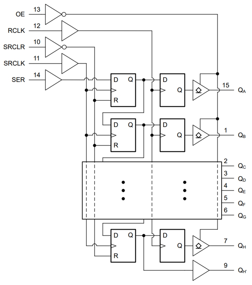
Texas Instruments SN74ACT596/SN74ACT596-Q1 SIPO 8ビット・シフト・レジスタは、8ビットのSIPO (シリアル・イン、パラレル・アウト) のシフト・レジスタを搭載しており、8ビットのDタイプ・ストレージ・レジスタへデータを供給します。ストレージ レジスタは、パラレル・オープン・ドレイン出力を備えています。シフト・レジスタとストレージ・レジスタの両方に、それぞれ独立したクロックが供給されます。シフト・レジスタはダイレクト・オーバーライディング・クリア (SRCLR) 入力、シリアル (SER) 入力、カスケード用シリアル出力 (QH') を備えています。出力イネーブル (OE) 入力がHIGHのとき、出力は高インピーダンス状態になります。内部レジスタ・データは、OE入力の動作による影響を受けません。Texas Instruments SN74ACT596-Q1デバイスは、車載アプリケーション用にAEC-Q100認定済みです。特徴
- 動作電源電圧範囲:4.5V~5.5V
- TTL互換入力
- 連続±24mA出力駆動 (5V時)
- 短いバーストで最大±75mAの出力駆動 (5VIN時) に対応
- 50Ω伝送ラインを駆動
- 遅延時間11.6ns(最大)の高速動作
アプリケーション
- マイコンからの出力数が増加
- 最大8ビットのデータを一時的に保存
技術資料
- SN74ACT596データシート
- SN74ACT596-Q1データシート
- アプリケーション・ノート:Implications of Slow or Floating CMOS Inputs
- セレクション・ガイド:ロジック・ガイド
- アプリケーション・ノート:Understanding and Interpreting Standard-Logic Data Sheets
- ユーザー・ガイド:LOGIC Pocket Data Book
- アプリケーション・ノート:Selecting the Right Level Translation Solution
- アプリケーション・ノート:Designing With Logic
- アプリケーション・ノート:Using High Speed CMOS and Advanced CMOS in Systems With Multiple Vcc
論理図(正論理)
公開: 2025-03-25
| 更新済み: 2025-05-06
