Texas Instruments SN74AHC138/SN74AHC138-Q1 3ライン入力8ライン出力デコーダ/デマルチプレクサ
Texas Instruments SN74AHC138/SN74AHC138-Q1 3ライン入力8ライン出力デコーダ/デマルチプレクサは、伝搬遅延時間を極めて短くする必要がある高性能メモリデコーディングやデータルーティング用途向けに設計されています。高性能メモリ・システムでは、このデコーダを使用することにより、システム・デコードの影響を最小限にとどめることができます。高速イネーブル回路を利用して高速メモリと組み合わせて使う場合、これらのデコーダの遅延時間とメモリのイネーブル時間は、通例、メモリの標準的なアクセス時間を下回ります。つまり、このデコーダによる実質的なシステム遅延時間は無視できるということです。 Texas Instruments SN74AHC138-Q1デバイスは、車載アプリケーション用にAEC-Q100認定済みです。特徴
- VCC 動作範囲:2V~5.5V
- 高速メモリ・デコーダおよびデータ伝送システム専用の設計を採用
- カスケード接続やデータ受信を容易にする3つのイネーブル入力を内蔵
- ラッチアップ性能は、JESD 17準拠の250mA超
- JESD22を上回るESD保護能力
- 2000V人体モデル(A114-A)
- 1000Vデバイス帯電モデル(C101)
アプリケーション
- データ・バスを共有するメモリ・デバイスの選択
- ルートデータ
- チップ選択アプリケーションに必要な出力数を削減
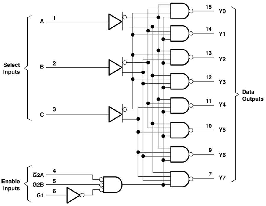
論理図(正論理)
その他のリソース
- アプリケーションノート:Implications of Slow or Floating CMOS Inputs(低速またはフローティングCMOS入力の影響)
- セレクションガイド:Little Logic Guide
- セレクション・ガイド:ロジック・ガイド
- アプリケーション・ノート:How to Select Little Logic(リトルロジックの選択方法)
- アプリケーション・ノート:Understanding and Interpreting Standard-Logic Data Sheets(標準ロジック・データシートの理解と解釈)
- ユーザー・ガイド:LOGIC Pocket Data Book
- アプリケーションノート:適切なレベルの変換ソリューションを選択する
- ADAS:自動車の安全性を推進する技術
公開: 2024-04-30
| 更新済み: 2025-06-06
