Texas Instruments SN74AHC595/SN74AHC595-Q1 カウンタ・シフト・レジスタ
Texas Instruments SN74AHC595/SN74AHC595-Q1カウンタ・シフト・レジスタには、8ビットDタイプのストレージ・レジスタを提供する8ビット直列入力/並列出力のシフト・レジスタが搭載されています。ストレージ・レジスタには、並列3ステート出力があります。個別のクロックは、シフト・レジスタとストレージ・レジスタの両方に供給されます。TI SN74AHC595/SN74AHC595-Q1には、直接オーバーライド・クリア(SRCLR)入力、直列(SER)入力、カスケード接続用の直列出力があります。出力イネーブル(OE)入力がハイ(高)の場合、QH′ を除くすべての出力は高インピーダンス状態になります。SN74ACH595-Q1は、自動車アプリケーションを対象としたAEC-Q100認定を受けています。特徴
- 自動車アプリケーションの認定済み(SN74ACH595-Q1)
- 2V~5.5V VCC 動作範囲
- 8ビット直列入力、並列出力シフト
- ラッチアップ性能は、JESD 78、クラス IIあたり100mAを超える
- JESD22を上回るESD保護能力
- 2,000V人体モデル (A114-A)
- 1,000Vデバイス帯電モデル(C101)
アプリケーション
- ネットワーク・スイッチ
- 電源インフラ
- LEDディスプレイ
- サーバー
- デジタル信号の有効化または無効化
- インジケータLEDの制御
- 通信モジュールとシステムコントローラの間の変換
データシート
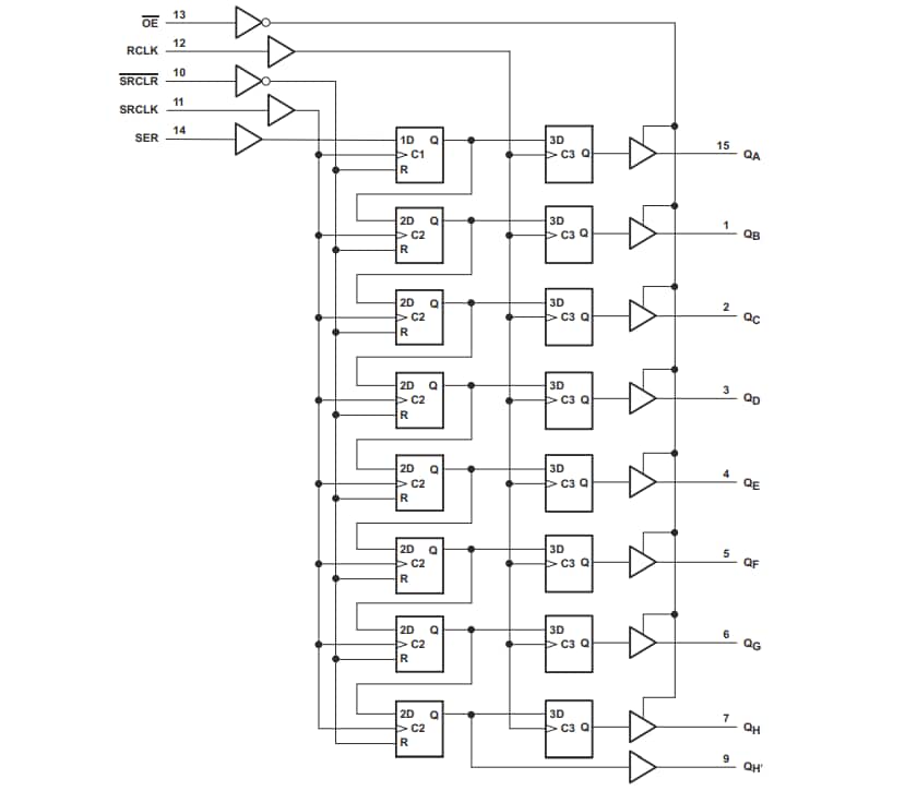
論理図(正論理)
公開: 2024-07-19
| 更新済み: 2024-07-30
