Texas Instruments SN74AHCT157/SN74AHCT157-Q1データセル/マルチプレクサ
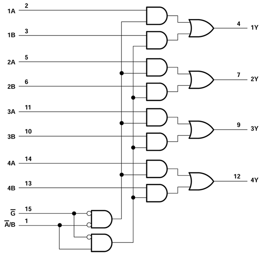
Texas Instruments SN74AHCT157/SN74AHCT157-Q1 クアッド2対1ラインデータセレクタ/ マルチプレクサは、4.5V〜5.5VのVCC 動作に対応しています。SN74AHCT157/SN74AHCT157-Q1デバイスは、共通のストローブ(G)入力を備えています。ストローブがHIGHのとき、すべての出力がLOWになります。ストローブがLOWのとき、2つのソースのどちらか1つから4ビットワードが選択され、4つの出力に転送されます。デバイスは、真のデータを提供します。Texas Instruments SN74AHCT157-Q1デバイスは、AEC-Q100車載アプリケーション向けに認定されています。特徴
- 入力はTTL電圧対応
- ラッチアップ性能は、JESD 17準拠の250mA超
論理図(正論理)
その他のリソース
- セレクションガイド:Little Logic Guide
- セレクション・ガイド:ロジック・ガイド
- アプリケーション・ノート:How to Select Little Logic(リトルロジックの選択方法)
- アプリケーション・ノート:Understanding and Interpreting Standard-Logic Data Sheets(標準ロジック・データシートの理解と解釈)
- ユーザー・ガイド:LOGIC Pocket Data Book
- アプリケーションノート:Selecting the Right Level Translation Solution(適切なレベル変換ソリューションの選択)
- アプリケーションノート:高度な高速CMOS(AHC)論理ファミリ
- ADAS:自動車の安全性向上させるテクノロジー
公開: 2024-06-07
| 更新済み: 2025-06-06
