Texas Instruments SN74AHCT374/SN74AHCT374-Q1オクタルDタイプ・フリップフロップ
Texas Instruments SN74AHCT374/SN74AHCT374-Q1オクタルDタイプフリップフロップには、3ステート出力および8つのDタイプフリップフロップが搭載されています。これらのフリップフロップは4.5V~5.5Vの電源電圧範囲で動作し、低遅延(5V時、15pF負荷で7.6ns)を実現し、5V、15pF負荷で130MHzをサポートします。すべてのチャンネルは、立ち上がりエッジ・トリガークロック(CLK)入力とアクティブ・ロー出力イネーブル(OE)入力を共有しています。このデバイスには、より簡単なバスルーティングを目的としたフロースルーピン配列が含まれており、TTL互換入力が特徴です。SN74AHCT374-Q1フリップフロップは、車載用アプリケーションを対象としたAEC-Q100の認定を受けています。このデバイスは、ウェッタブルフランクQFNパッケージでご用意があり、JESD 17に準じて250mAを超過するラッチアップ性能があります。SN74AHCT374/SN74AHCT374-Q1フリップフロップは、並列データ同期、並列データストレージ、シフトレジスタ、パターン発生器に最適です。特徴
- 車載アプリケーション向けにAEC-Q100認定済み(SN74AHCT374-Q1)
- -40°C〜125°Cのデバイス温度グレード1
- デバイスHBM ESD分類レベル2
- デバイス CDM ESD耐性分類レベル:C4B
- ウェッタブルフランク付きQFNパッケージで入手可能
- 動作時電源電圧範囲(VCC):4.5V〜5.5V
- TTL互換入力
- 低遅延、7.6ns(5V時)、15pF負荷
- 130MHz(5V時)、15pF負荷をサポート
- ラッチアップ性能は、JESD 17準拠の250mA超
アプリケーション
- 並列データ同期
- 並列データストレージ
- シフトレジスタ
- パターン発生器
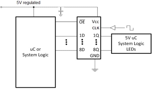
機能ブロック図
各入力と出力のためのクランプダイオードの電気的配置
標準特性グラフ
標準アプリケーション図
公開: 2025-09-29
| 更新済み: 2026-01-21
