Texas Instruments SN74AHCT594/SN74AHCT594-Q1 8ビット・シフト・レジスタ
Texas Instruments SN74AHCT594/SN74AHCT594-Q1 8ビット・シフト・レジスタは、8ビットDタイプ・ストレージ・レジスタにデータを供給する、8ビット、シリアル入力/パラレル出力、シフト・レジスタです。シフト・レジスタとストレージ・レジスタの両方に、独立したクロックとダイレクト・オーバーライディング・クリア (RCLR、SRCLR) 入力が備わっています。カスケード接続用にシリアル(QH)出力を提供します。 Texas Instruments SN74AHCT594-Q1デバイスは、車載アプリケーション用にAEC-Q100認定済みです。特徴
- 入力はTTL電圧対応
- 8ビット・シリアル入力、パラレル出力シフトレジスタ(ストレージ搭載)
- シフトとストレージレジスタでの独立したダイレクトオーバーライディング
- シフトレジスタとストレージレジスタの両方に独立したクロック
- JESD 78 クラス II準拠で100mA超のラッチアップ性能
- JESD22を上回るESD保護能力
- 人体モデル±3,500V
- ±200V、機械モデル
アプリケーション
- ネットワークスイッチ
- 電力インフラストラクチャ
- PC、ノートブック
- 健康とフィットネス、ウェアラブル
- 試験および測定
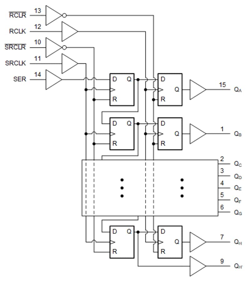
論理図(正論理)
その他のリソース
- アプリケーションノート:Implications of Slow or Floating CMOS Inputs(低速またはフローティングCMOS入力の影響)
- セレクションガイド:Little Logic Guide
- セレクション・ガイド:ロジック・ガイド
- アプリケーション・ノート:How to Select Little Logic(リトルロジックの選択方法)
- アプリケーション・ノート:Understanding and Interpreting Standard-Logic Data Sheets(標準ロジック・データシートの理解と解釈)
- ユーザー・ガイド:LOGIC Pocket Data Book
- アプリケーションノート:適切なレベルの変換ソリューションを選択する
- ADAS:自動車の安全性向上させるテクノロジー
公開: 2024-04-24
| 更新済み: 2025-06-06
