Texas Instruments SN74AVC24T245 24ビット対応デュアル供給バストランシーバ
Texas Instruments SN74AVC24T245 24ビット対応デュアル供給バストランシーバには、2つの独立した構成可能な電力供給レールが採用されています。SN74AVC24T245は、1.4V~3.6VにセットされたVCCA/VCCB で動作するように最適化されています。また、最低1.2VまでのVCCA/VCCB で動作します。Aポートは、VCCA を追跡するように設計されています。VCCA は、1.2V~3.6Vからあらゆる電源電圧を受け入ることができます。BポートはVCCB を追跡するように設計されています。VCCB は、1.2V~3.6Vの任意の電源電圧を受け入れます。この機能は、1.2V、1.5V、1.8V、2.5V、3.3V電圧ノードの間のあらゆるユニバーサル低電圧・双方向変換を実現します。Texas Instruments SN74AVC24T245は、データバス間での非同期通信を目的に設計されています。このデバイスは、AバスからBバスへ、あるいはBバスからAバスへ、方向制御(DIR)入力での論理レベルに応じてデータを送信します。出力イネーブル(OE)入力は、出力を無効にするために使用され、バスを効果的に絶縁できます。このデバイスは、Ioffを使用すると部分的なパワーダウン・アプリケーション用に規定されます。Ioff回路図は出力をディセーブルし、これによって、デバイスの電源がオフになったときにデバイスを流れる逆流電流によるダメージが回避されます。VCC 絶縁機能によって、GNDでのVCC 入力または高インピーダンス状態での両方のポートのどちらかが保証されます。
特徴
- 制御入力VIH/VIL レベルは、VCCA 電圧に対して参照
- VCC 絶縁機能 - GNDでのVCC 入力のいずれか、またはすべての出力が高インピーダンス状態
- 過電圧許容入出力によって、混合電圧モード・データ通信が実現
- 完全に構成できるデュアルレール設計によって、1.2V〜3.6Vの完全電源範囲で各ポートの動作が実現
- 最大データレート
- 380Mbps(1.8V~3.3V変換)
- 200Mbps(<1.8V~3.3V変換)
- 200Mbps(2.5Vまたは1.8Vに翻訳)
- 150Mbps (1.5Vに変換)
- 100Mbps (1.2Vに変換)
- Ioff は、パーシャル・パワーダウン・モードをサポート
- I/Oは4.6V許容
- ラッチアップ性能は100mA超(JESD78、Class IIによる)
- JESD22を上回るESD保護能力
- 8,000V人体モデル (A114-A)
- 200Vマシンモデル(A115-A)
- 1,000Vデバイス帯電モデル(C101)
アプリケーション
- パーソナル・エレクトロニクス
- 産業
- エンタープライズ
- 電気通信
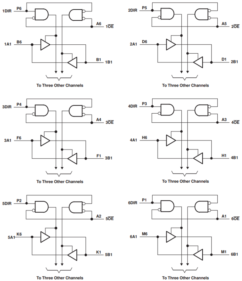
機能ブロック図
公開: 2020-09-28
| 更新済み: 2024-08-27
