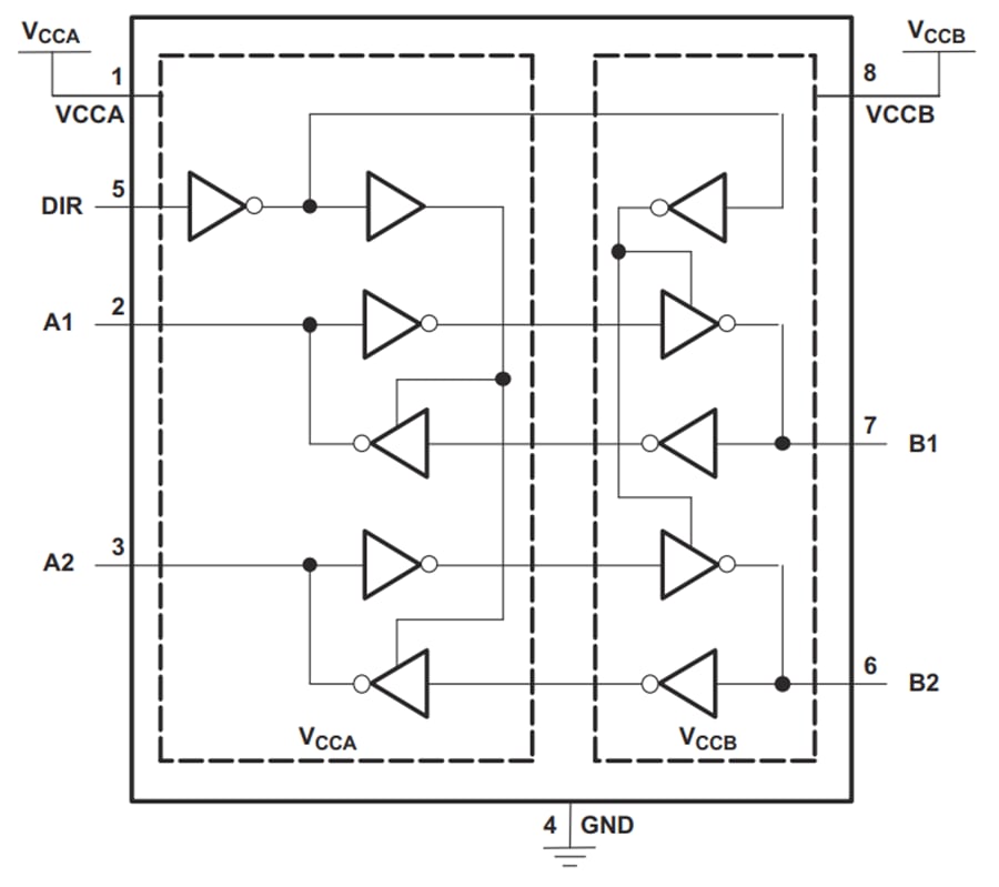
SN74AVCH2T45は2つのデータバス間の非同期通信用に設計されています。方向制御(DIRピン)入力の論理レベルは、Aポート出力またはBポート出力のいずれかをアクティブにします。デバイスは、Bポート出力がアクティブ化されているときにAバスからBバスにデータを送信し、Aポート出力がアクティブになっているときにBバスからAバスに転送します。SN74AVCH2T45は、アクティブ・バスホールド回路が特徴で、未使用または非駆動入力を有効なロジック状態で保持します。Texas Instrumentsは、バスホールド回路と共にプルアップまたはプルダウン抵抗を使用することを推奨していません。
特徴
- テキサス・インスツルメンツのNanoFree™パッケージで利用可能
- VCC 絶縁
- 2-railデザイン
- I/Oは4.6V許容
- 部分的なパワーダウンモード動作
- データ入力のバス・ホールド
- ラッチアップ性能は100mA超(JESD78、クラス IIによる)
- 最大データレート
- 500Mbps(1.8V~3.3V)
- 320Mbps(<1.8V~3.3V)
- 320Mbps(2.5Vまたは1.8Vへのレベルシフト)
- 280Mbps(1.5Vへのレベルシフト)
- 240Mbps(1.2Vへのレベルシフト)
- JESD22を上回るESD保護能力
アプリケーション
- スマートフォン
- サーバー
- デスクトップPCとノートブック
- その他の携帯機器
論理図(正論理)
公開: 2025-02-17
| 更新済み: 2025-03-11

