Texas Instruments SN74CB3T3245 8ビットFETバススイッチ
Texas Instruments SN74CB3T3245 8ビットFETバススイッチは、高速TTL互換スイッチで、伝搬遅延を最小限に抑えるための低オン状態抵抗(RON)が備わっています。これらのバススイッチは、VCC を追跡する電圧変換を実現することによって、すべてのデータI/Oポートでの混合モード信号動作をサポートしています。SN74CB3T3245バススイッチは、標準の245タイプピン配列、デバイスの電源オン時とオフ時の両方で5VトレラントのI/O、出力電圧変換トラックが備わっています。代表的なアプリケーションには、レベル変換、PCIインターフェイス、USBインターフェイス、メモリインターリーブ、バス絶縁があります。特徴
- 標準245タイプピン配列
- 出力電圧変換トラックVCC
- すべてのデータI/Oポートで混合モード信号動作をサポート:
- 3.3VのVCC で、5V入力を出力レベル3.3Vにシフト
- 2.5VのVCC で、5V/ 3.3V 入力を出力レベル2.5Vにシフト
- デバイスの電源オン時とオフ時の両方で5V 許容I/O
- 伝播遅延がゼロに近い双方向データフロー
- 低オン状態抵抗(RON)特性(RON = 5Ω、標準値)
- 低入力、出力容量によって負荷を最小化(CIO(OFF) =5pF、標準値)
- データおよび制御入力にアンダーシュートクランプダイオードを搭載
- 低電力消費(ICC = 最大 40μA)
- VCC 動作範囲:2.3V~3.6V
- データI/Oは0~5Vの信号レベルに対応(0.8V、1.2V、1.5V、1.8V、2.5V、3.3V、5V)
- 制御入力は、TTLまたは5V/3.3V CMOS出力で駆動可能
- Ioff により部分的パワーダウンモード動作をサポート
- ラッチアップ性能は、JESD 17準拠の250mA超
- JESD 22に従ってESD性能をテスト:
- 人体モデルで2000V(A114-B、クラスII)
- 1,000Vデバイス帯電モデル(C101)
- 低電力消費の携帯機器向けに設計
アプリケーション
- レベル変換
- PCIインターフェイス
- USBインターフェイス
- メモリインターリーブ
- バス絶縁
機能ブロック図
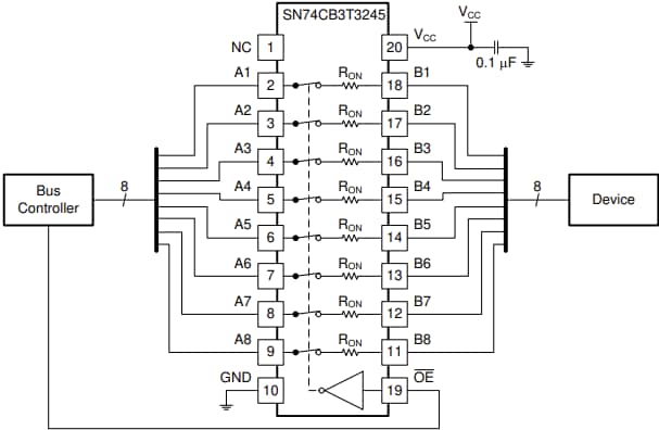
標準アプリケーション図
標準特性カーブ
公開: 2025-09-29
| 更新済み: 2025-10-13
