Texas Instruments SN74HC393/SN74HCS393デュアル4ビット・バイナリ・カウンタ
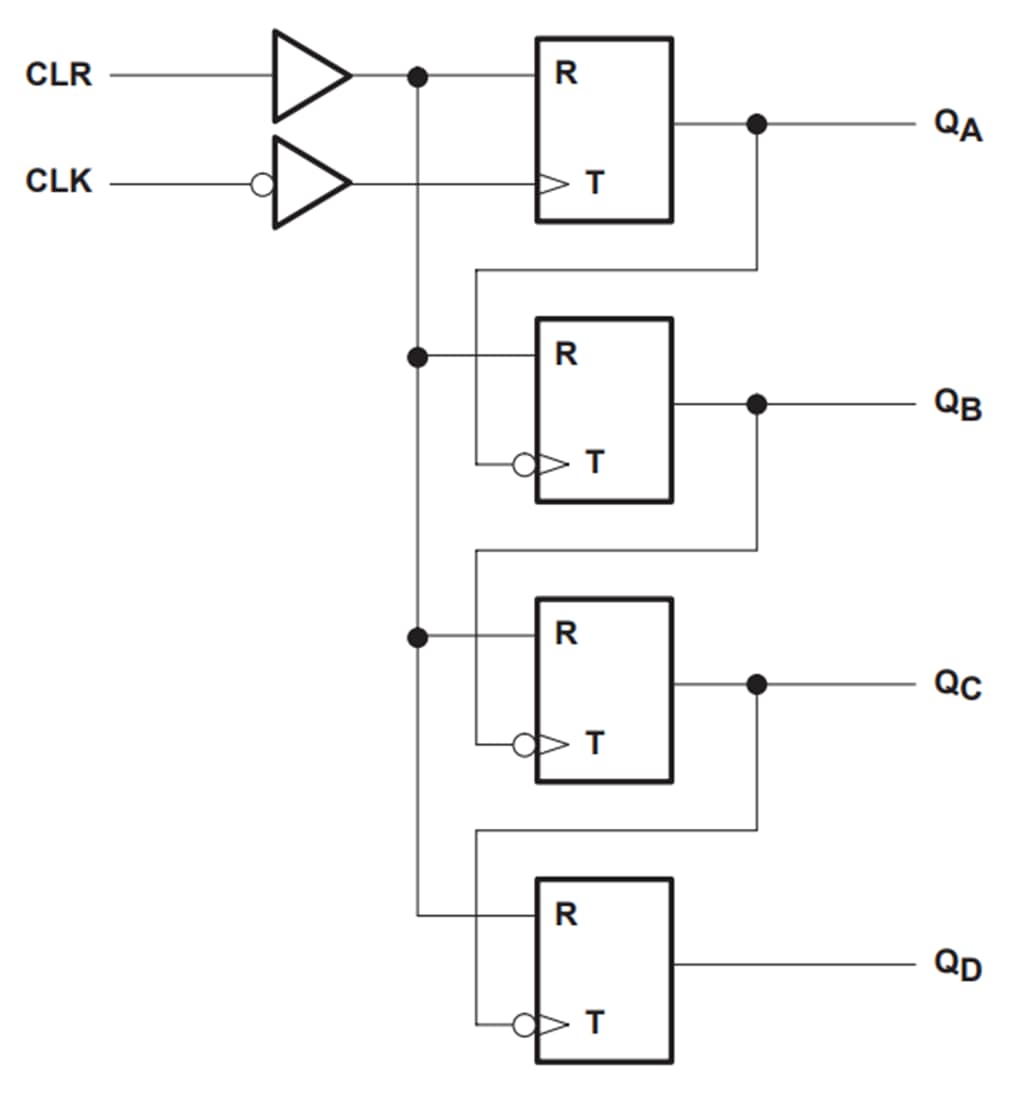
Texas Instruments SN74HC393/SN74HCS393デュアル4ビット・バイナリ・カウンタには、8つのフリップフロップと追加のゲーティングが含まれており、1つのパッケージに2つの個別の4ビット・カウンタを実装します。これらのデバイスは、2つの独立した4ビット・バイナリ・カウンタで構成され、それぞれにクリア(CLR)とクロック(CLK)入力があります。各パッケージにはNビット・バイナリ・カウンタを実装でき、256で除算することができます。Texas Instruments SN74HC393/SN74HCS393には、各カウンタ・ステージからのパラレル出力があり、入力カウント周波数の任意の約数を仕様してシステム・タイミング信号を作成できます。特徴
- 2V〜6Vの広い動作電圧 範囲
- 出力は最大10個のLSTTL負荷を駆動可能
- 低消費電力:ICC =80µA(最大値)
- tpd = 13ns(標準値)
- 5Vで±4mAの出力ドライブ
- 低入力電流:1µA(最大)
- 個別のクロックを備えたデュアル4ビット・バイナリ・カウンタ
- 4ビットカウンタごとにダイレクト・クリア
- カウンターパッケージ数を50%削減することで、システム密度を大幅に向上できます
論理図(正論理)
公開: 2024-12-03
| 更新済み: 2024-12-13
