Texas Instruments SN74HCS137-Q1 3-to-8ラインデコーダ/デマルチプレクサ

Texas Instruments SN74HCS137-Q1 3-to-8ライン・デコーダ/デマルチプレクサは、ラッチされたアドレスビット、1つのアクティブロー出力イネーブル、および1つの標準出力イネーブルを備えた3-to-8デコーダです。Texas Instruments SN74HCS137-Q1デバイスは、自動車アプリケーションのAEC-Q100認定を受けています。

特徴

  • 自動車アプリケーションのAEC-Q100認定
    • デバイス温度グレード 1: -40°C ~+125°C、TA
    • デバイスHBM ESD分類レベル2
    • デバイスCDM ESD分類レベルC6
  • 2V~6V幅広い動作電圧範囲
  • シュミットリガ入力によって、低速またはノイズが多い入力信号が実現
  • 6Vでの±7.8mA出力ドライブ
  • –40°C~+125°C、TA 拡張周囲温度範囲
  • 低電力消費
    • 標準 ICC :100nA
    • 標準入力リーク電流:±100nA

アプリケーション

  • 共有データバスを用いたメモリデバイスの選択
  • チップ選択アプリケーションに必要な出力数を削減
  • ルートデータ

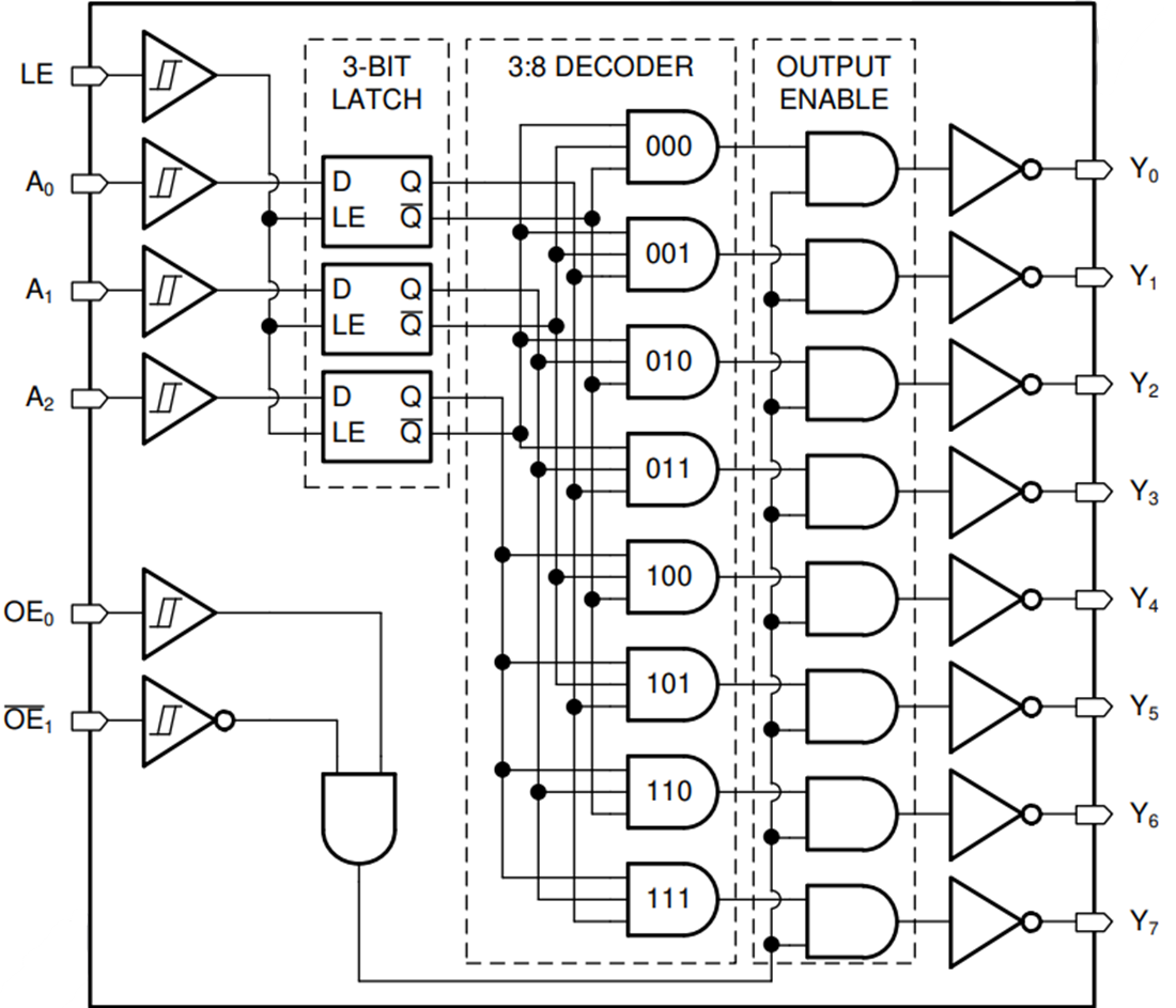
機能ブロック図

ブロック図 - Texas Instruments SN74HCS137-Q1 3-to-8ラインデコーダ/デマルチプレクサ
公開: 2020-08-11 | 更新済み: 2024-08-01