Texas Instruments SN74HCS151/SN74HCS151-Q1 8-to-1マルチプレクサ
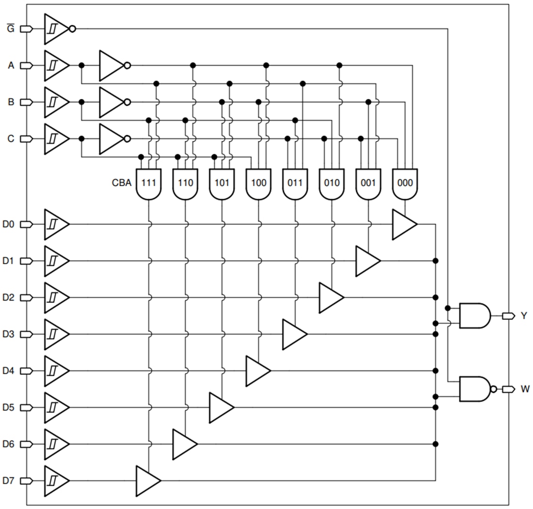
Texas Instruments SN74HCS151/SN74HCS151-Q1 8-to-1マルチプレクサには、8つのデータソースと相補出力のうちの1つを選択できる完全バイナリデコーディングが搭載されています。ストローブ(G)入力は、入力を有効にするために低ロジックレベルである必要があります。ストロボ端子での高レベルは、W出力を強制的に「高」にし、Y出力を「低」にします。Texas Instruments SN74HCS151-Q1は、車載用アプリケーションのAEC-Q100認定を取得しています。特徴
- 広い動作電圧範囲: 2V~6V
- シュミットリガ入力によって、低速またはノイズが多い入力信号が実現
- ±7.8mAで6Vの出力ドライブ
- 拡張周囲温度範囲: -40°C ~ +125°C, TA
- 低電力消費
- 標準的な100nAのICC
- 入力リーク電流:±100nA(代表値)
アプリケーション
- データ選択
- 多重化
機能ブロック図
公開: 2020-12-08
| 更新済み: 2024-10-11
