Texas Instruments SN74HCS164/SN74HCS164-Q1 8ビット対応シフトレジスタ
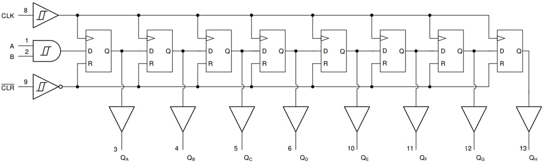
Texas Instruments SN74HCS164/SN74HCS164-Q1 8ビット対応シリアル入力/パラレル出力シフトレジスタには、ANDゲート直列入力と非同期クリア(CLR)入力がある8ビット対応シフトレジスタが搭載されています。ゲートシリアル(A、B)入力によって、入力データを完全に制御できます。いずれかの入力が「低」の時に新しいデータのエントリが禁止され、次のクロック(CLK)パルスで最初のフリップフロップが低レベルにリセットされます。高レベル入力によって他の入力が可能になり、それにより最初のフリップフロップの状態が決まります。最小セットアップ時間の要件が満たされていれば、CLKが「高」または「低」の時にシリアル入力のデータを変更できます。SN74HCS164/SN74HCS164-Q1でのクロッキングは、CLKの低~高レベルの遷移で発生します。 すべての入力にはシュミットトリガが搭載されており、エッジの遅い入力シグナルまたはノイズの多い入力シグナルによるエラー出力を排除します。Texas Instruments SN74HCS164-Q1は、自動車アプリケーションのAEC-Q100認定を取得しています。特徴
- 2V~6Vワイド動作電圧範囲
- シュミットリガ入力によって、低速またはノイズが多い入力信号が実現
- 6Vでの±7.8mA出力ドライブ
- –40°C~+125°C、TA 拡張周囲温度範囲
- 低電力消費
- 標準的な100nAのICC
- 標準的な入力リーク電流±100nA
アプリケーション
- 出力拡張
- LEDマトリックス制御
- 7セグメントディスプレイ制御
- 8ビットデータストレージ
機能ブロック図
公開: 2020-07-14
| 更新済み: 2024-07-02
