Texas Instruments SN74HCS237/SN74HCS237-Q1デコーダ/デマルチプレクサ
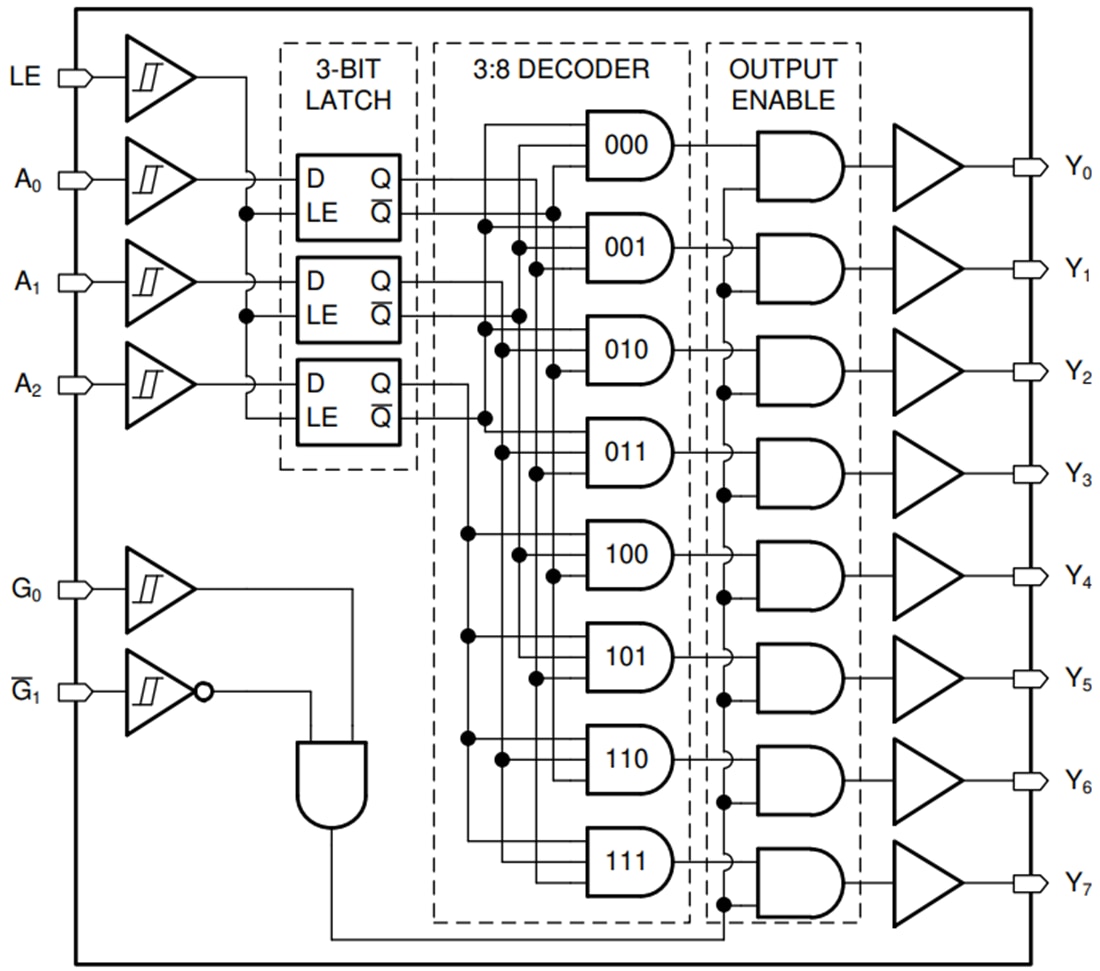
Texas Instruments SN74HCS237/SN74HCS237-Q1デコーダ/デマルチプレクサは、ラッチアドレス入力、1つの標準出力ストローブ(G0)、および1つのアクティブ・ロー出力ストローブ(G1)を備えた3対8のデコーダです。ラッチ・イネーブル(LE)入力が「高」の場合、デバイスは標準的な3~8デコーダとして機能します。ラッチイネーブル(LE)入力が「低」になると、アドレスラッチは以前の状態を保持します。いずれかのストローブ入力によって出力がゲートされると、出力はすべて強制的に「低」状態になります。一方または両方のストローブ入力によって出力がディセーブルされていない場合、選択された出力のみが「高」になり、他の出力はすべて「低」になります。Texas Instruments SN74HCS237-Q1デバイスは、車載アプリケーション向けのAEC-Q100認定を受けています。特徴
- 広い動作電圧範囲: 2V~6V
- シュミットリガ入力によって、低速またはノイズが多い入力信号が実現
- 6Vでの±7.8mA出力ドライブ
- –40°C~+125°C、TA 拡張周囲温度範囲
- 低電力消費
- 標準的な100nAのICC
- 標準入力リーク電流:±100nA
アプリケーション
- 共有データバスを用いたメモリデバイスの選択
- ルートデータ
- チップセレクトアプリケーションに必要な出力数を削減
機能ブロック図
公開: 2020-10-27
| 更新済み: 2024-09-09
