Texas Instruments SN74HCS238/SN74HCS238-Q1デコーダ/デマルチプレクサ
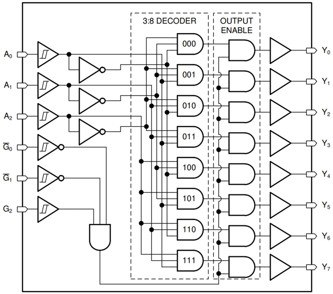
Texas Instruments SN74HCS238/SN74HCS238-Q1デコーダ/デマルチプレクサは、3~8デコーダで、1つの標準出力ストローブ(G2)と2つのアクティブロー出力ストローブ(G1およびG0)が備わっています。ストローブ入力のいずれかによって出力が制御されると、それらはすべて強制的に「低」状態になります。ストローブ入力によって出力が無効になっていない場合、選択した出力のみが「高」になり、他の出力はすべて「低」になります。Texas Instruments SN74HCS238-Q1デバイスは、車載用アプリケーションのAEC-Q100認定を取得しています。特徴
- 広い動作電圧範囲: 2V~6V
- シュミットリガ入力によって、低速またはノイズが多い入力信号が実現
- 6Vでの±7.8mA出力ドライブ
- –40°C~+125°C、TA 拡張周囲温度範囲
- 低電力消費
- 標準的な100nAのICC
- 標準入力リーク電流:±100nA
アプリケーション
- 共有データバスを用いたメモリデバイスの選択
- ルートデータ
- チップセレクト・アプリケーションの出力の必要数の低減
機能ブロック図
公開: 2020-10-27
| 更新済み: 2024-09-09
