SN74HCS251/SN74HCS251-Q1 8:1マルチプレクサは、-40°C~+125°Cのデバイス温度、低消費電力、2V~6Vの広い動作電圧範囲を特徴としています。Texas Instruments SN74HCS251/SN74HCS251-Q1 8-to-1マルチプレクサは、5.00mm x 4.40mm TSSOP-16および9.90mm x 3.90mm SOIC-16パッケージでご用意があります。SN74HCS251-Q1は、自動車アプリケーションを対象としたAEC-Q100認定を受けています。
特徴
- 広い動作電圧範囲: 2V~6V
- シュミットリガ入力によって、低速またはノイズが多い入力信号が実現
- 6Vでの±7.8mA出力ドライブ
- 拡張周囲温度範囲(TA):–40°C~+125°C
- 低電力消費
- ICC :100nA(代表値)
- 入力リーク電流:±100nA(代表値)
アプリケーション
- データ選択
- 多重化
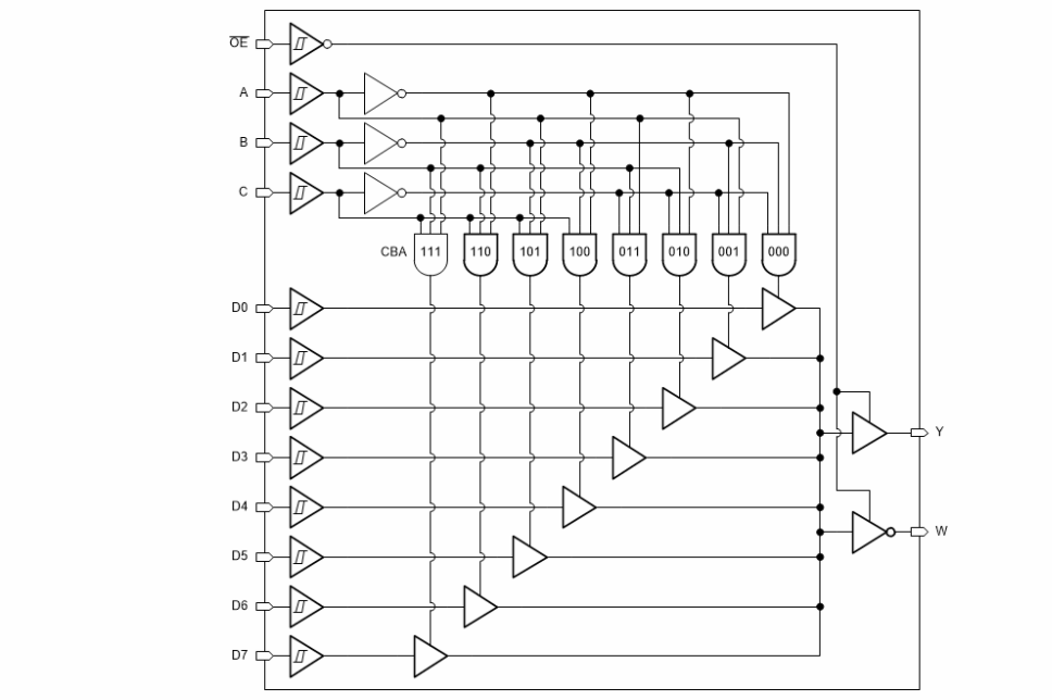
ブロック図
シュミットトリガ入力チャートの利点
公開: 2020-09-16
| 更新済み: 2024-08-21

