Texas Instruments SN74HCS259/SN74HCS259-Q1 8ビット・アドレス対応ラッチ
Texas Instruments SN74HCS259/SN74HCS259-Q1 8ビット・アドレス対応ラッチは、デジタルシステムでの汎用ストレージアプリケーションを対象に設計されています。特定の用途には、作動レジスタ、シリアル保持レジスタ、アクティブ高デコーダまたはデマルチプレクサがあります。これらの多機能デバイスは、8つのアドレス指定可能なラッチに単一行データを格納できます。これらのデバイスは、1/8、アクティブ高出力のデコーダーやデマルチプレクサーにもなります。Texas Instruments のSN74HCS259-Q1デバイスは、AEC-Q100車載アプリケーション向けに認定されています。特徴
- 2V~6Vワイド動作電圧範囲
- シュミットリガ入力によって、低速またはノイズが多い入力信号が実現
- 出力ドライブ:7.8mA(6V時)
- 拡張周囲温度範囲:40°C ~+125°C、TA
- 低電力消費
- 標準ICC :100nA
- 標準入力リーク電流:±100nA
アプリケーション
- 共有データバスを用いたメモリデバイスの選択
- チップ選択アプリケーションに必要な出力数を削減
- ルートデータ
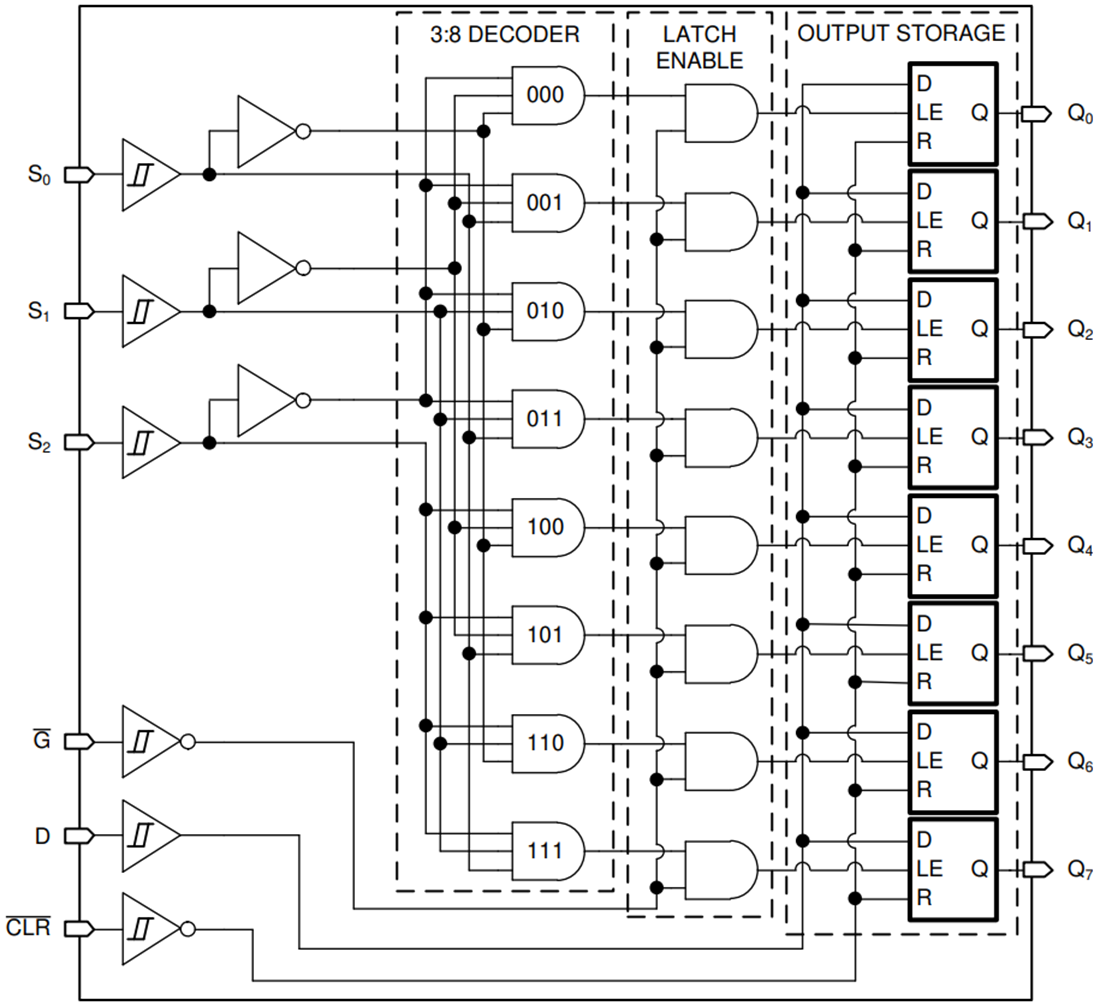
機能ブロック図
公開: 2020-08-19
| 更新済み: 2024-11-07
