Texas Instruments SN74HCS264/SN74HCS264-Q1シフトレジスタ
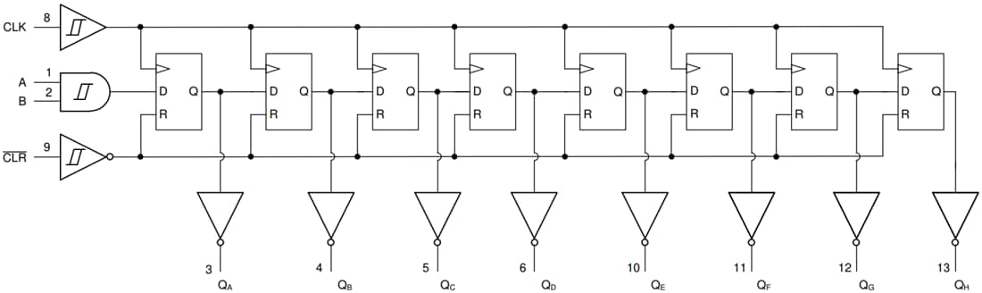
Texas Instruments SN74HCS264/SN74HCS264-Q18ビット並列出力シフトレジスタには、AND ゲート直列入力と非同期クリア (CLR) 入力を備えた 8ビットシフトレジスタが含まれています。最小セットアップ時間の要件が満たされていれば、CLKが「高」または「低」の時にシリアル入力のデータを変更できます。すべての入力にはシュミット・トリガ・アーキテクチャが採用されており、ノイズ・マージンが追加され、入力遷移速度の要件が排除されます。CLKの低~高レベルの遷移で発生するクロッキングです。クロック・トリガで、デバイスは(A ● B)入力データ・ラインの結果を最初のレジスタに保存し、各レジスタのデータを次のレジスタに伝搬します。出力は、保存されているデータから反転します。Texas Instruments SN74HCS264-Q1デバイスは、自動車アプリケーションのAEC-Q100認定を受けています。特徴
- 広い動作電圧範囲: 2V~6V
- シュミットリガ入力によって、低速またはノイズが多い入力信号が実現
- 6Vでの±7.8mA出力ドライブ
- –40°C~+125°C、TA 拡張周囲温度範囲
- 低電力消費
- 標準 ICC :100nA
- 標準的な入力リーク電流±100nA
アプリケーション
- 出力拡張
- LEDマトリックス制御
- 7セグメントディスプレイ制御
- 8ビットデータストレージ
機能ブロック図
公開: 2020-08-11
| 更新済み: 2024-08-01
