Texas Instruments SN74HCS594/SN74HCS594-Q1 8ビット対応シフトレジスタ
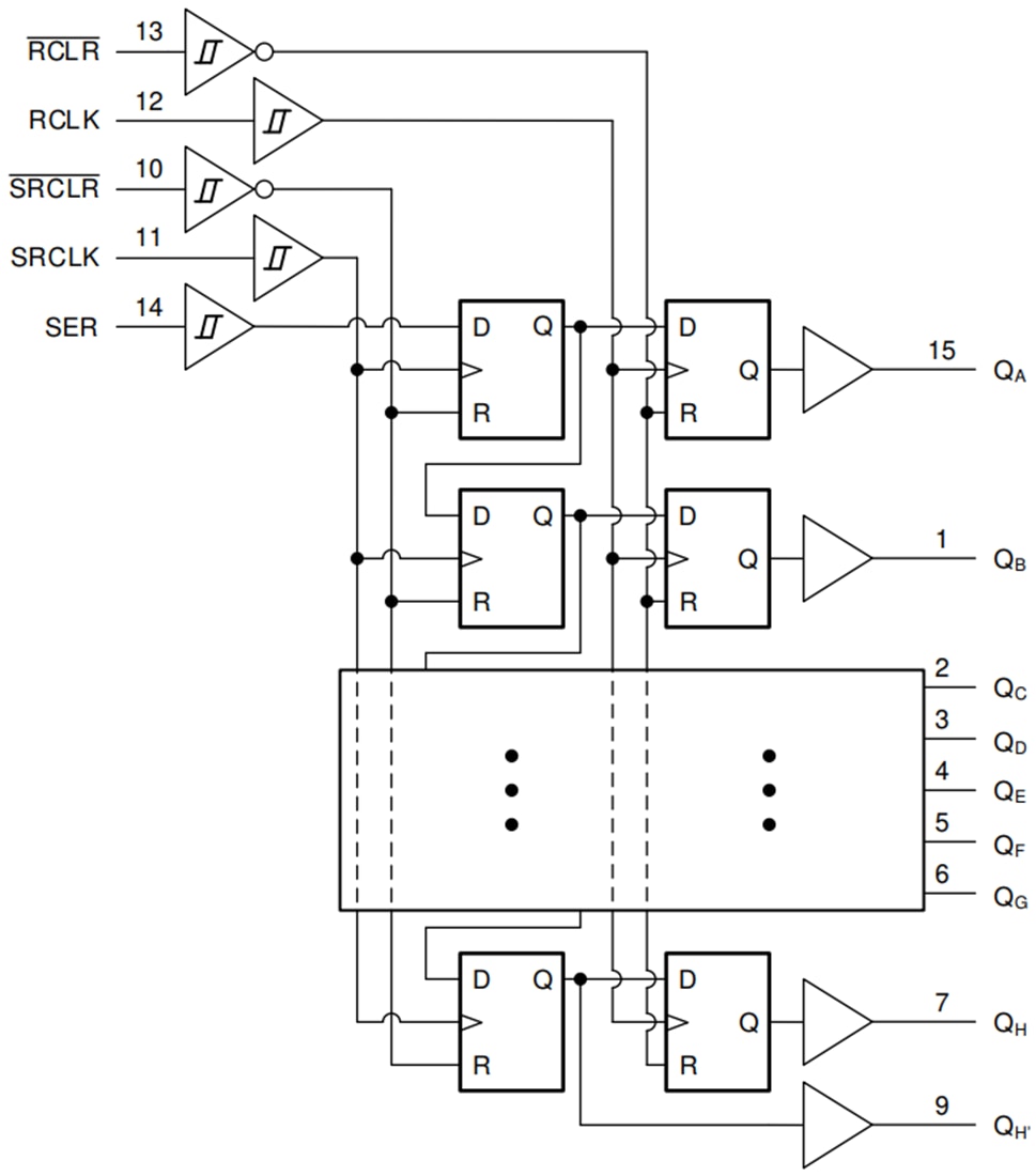
Texas Instruments SN74HCS594/SN74HCS594-Q1 8ビット対応シリアル入力/パラレル出力シフトレジスタには、8ビットのシリアル入力、パラレル出力シフトレジスタが搭載されており、8ビットのDタイプ・ストレージレジスタを送ります。すべての入力にはシュミットトリガが搭載されており、エッジの遅い入力シグナルまたはノイズの多い入力シグナルによるエラー出力を排除します。このストレージレジスタには、並列出力があります。シフトレジスタとストレージレジスタの両方に対して個別のクロックとダイレクトオーバーライドクリア(SRCLR、RCLR)入力が用意されています。シリアル出力(QH’)は、カスケード接続用に提供されています。Texas Instruments SN74HCS594/SN74HCS594-Q1のシフトレジスタ(SRCLK)とストレージレジスタ(RCLK)クロックはどちらも、正のエッジトリガです。両方のクロックが接続されている場合、シフトレジスタは、ストレージレジスタよりも1パルス分だけ先に進みます。SN74HCS594-Q1は、車載用アプリケーションのAEC-Q100認定を受けています。特徴
- 広い動作電圧範囲: 2V~6V
- シュミットリガ入力によって、低速またはノイズが多い入力信号が実現
- 6Vでの±7.8mA出力ドライブ
- 低電力消費
- 標準的な100nAのICC
- 標準的な入力リーク電流±100nA
アプリケーション
- 出力拡張
- LEDマトリックス制御
- 7セグメントディスプレイ制御
- 8ビットデータストレージ
機能ブロック図
公開: 2020-07-14
| 更新済み: 2024-07-02
