Texas Instruments SN74HCS596/SN74HCS596-Q1 8ビット対応シフトレジスタ
Texas Instruments SN74HCS596/SN74HCS596-Q1 8ビット対応シリアル入力/パラレル出力シフトレジスタには、8ビットのシリアル入力、パラレル出力シフトレジスタが搭載されており、8ビットのDタイプ・ストレージレジスタを送ります。すべての入力にはシュミットトリガが搭載されており、エッジの遅い入力シグナルまたはノイズの多い入力シグナルによるエラー出力を排除します。このストレージレジスタには、並列オープンドレイン出力があります。個別のクロックが、シフトとストレージレジスタの両方にあります。このシフトレジスタには、カスケード接続用のダイレクトオーバーライディングクリア(SRCLR)入力、シリアル(SER)入力、シリアル出力(QH')があります。出力イネーブル(OE)入力が高の場合、出力は高インピーダンス状態になっています。Texas Instruments SN74HCS596/SN74HCS596-Q1の内部レジスタデータは、OE入力の動作の影響を受けません。SN74HCS596-Q1は、車載用アプリケーションのAEC-Q100認定を受けています。特徴
- 広い動作電圧範囲: 2V~6V
- シュミットリガ入力によって、低速またはノイズが多い入力信号が実現
- 6Vでの±7.8mA出力ドライブ
- 低電力消費
- 標準的な100nAのICC
- 標準的な入力リーク電流±100nA
アプリケーション
- 出力拡張
- LEDマトリックス制御
- 7セグメントディスプレイ制御
- 8ビットデータストレージ
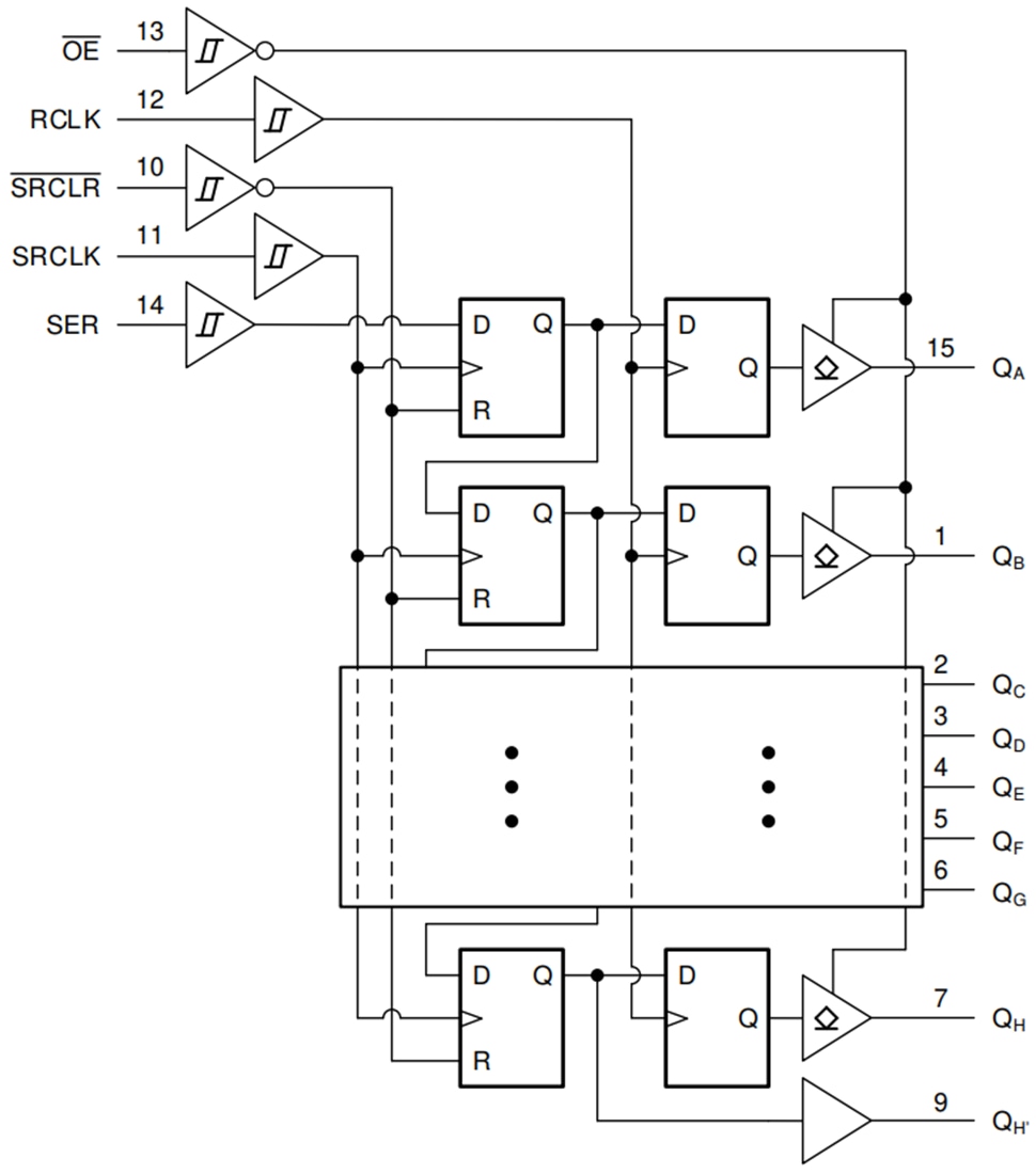
機能ブロック図
公開: 2020-07-14
| 更新済み: 2024-07-02
