Texas Instruments SN74HCT595/SN74HCT595-Q1 8ビット対応シフトレジスタ
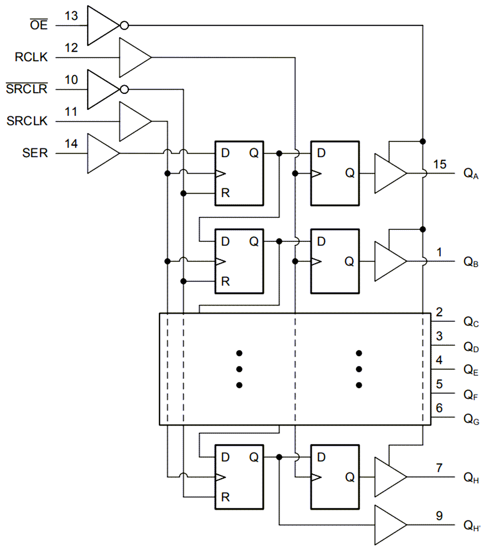
Texas Instruments SN74HCT595 / SN74HCT595-Q1 8ビットシフトレジスタには、8ビットのDタイプストレージレジスタに給電する8ビットのシリアル入力パラレル出力シフトレジスタが含まれています。この記憶レジスタには、並列の3ステート出力があります。個別のクロックが、シフトと記憶レジスタの両方にあります。このシフトレジスタには、カスケード接続用のダイレクトオーバーライディングクリア(SRCLR)入力、シリアル(SER)入力、シリアル出力(QH')があります。出力イネーブル(OE)入力が高の場合、ストレージレジスタの出力は高インピーダンス状態になります。内部レジスタデータとシリアル出力(QH’)は、OE入力の動作の影響を受けません。Texas Instruments SN74HCT595-Q1は、車載用アプリケーションのAEC-Q100認定を取得しています。特徴
- LSTTL入力ロジック互換
- VIL(最大) = 0.8V、VIH(最小) = 2V
- CMOS 入力ロジック互換
- II ≤ 1µA、VOL, VOH
- 4.5V~5.5V(動作)
- 最大10 LSTTL負荷のファンアウトに対応
- シフトレジスタには直接クリア
- –40°C~+125°C、TA拡張周囲温度範囲
アプリケーション
- 出力拡張
- LEDマトリックス制御
- 7セグメントディスプレイ制御
- 8ビットデータストレージ
機能ブロック図
公開: 2022-03-16
| 更新済み: 2022-04-04
