Texas Instruments SN74LV273A/SN74LV273A-Q1オクタルD-Typeフリップフロップ
Texas Instruments SN74LV273A/SN74LV273A-Q1 オクタルDタイプ フリップフロップは、2V~5.5VのVCC 動作向けに設計されています。このデバイスは、すべてのポートでの混合モード電圧動作をサポートしており、JESD 17に準じて250mAを超過するラッチアップ性能があります。Texas Instruments SN74LV273Aの一般的なアプリケーションには、パワー・サブステーション制御、アナログPLC/DCS入力でのI/Oモジュール、ヒューマン・マシン・インターフェイス(HMI)、流量計、患者監視、テストと計測ソリューションがあります。Texas Instruments SN74LV273A-Q1は、車載用アプリケーションのAEC-Q100認定を取得しています。特徴
- 2V~5.5V VCC で動作
- 最大tpd :10.5ns(5V時)
- 標準的なVOLP(出力グランドバウンス):<>CC = 3.3V、TA = 25°C時)
- 標準的なVOHV(出力VOH アンダーシュート):> 2.3V(VCC = 3.3V、TA = 25°C時)
- Ioff により部分的パワーダウンモードをサポート
- すべてのポートでの混合モード電圧動作に対応
- ラッチアップ性能は、JESD 17準拠の250mA超
- JESD22を上回るESD保護能力
- 3000V人体モデル
- 2000Vデバイス帯電モデル
アプリケーション
- パワーサブステーション制御
- I/Oモジュール、アナログPLC/DCS入力
- ヒューマン・マシン・インターフェイス(HMI)
- 流量計
- 患者モニタリング
- テストと測定ソリューション
ビデオ
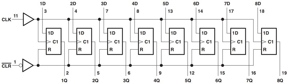
機能ブロック図
公開: 2023-01-18
| 更新済み: 2025-07-03
