Texas Instruments SN74LV2T74/SN74LV2T74-Q1デュアルDタイプ・フリップフロップ
Texas Instruments SN74LV2T74/SN74LV2T74-Q1 デュアルDタイプフリップフロップは、2つの独立したDタイプのポジティブエッジトリガ型フリップフロップを備えています。プリセット(PRE)入力がLowレベルになると、出力がHighになります。クリア(CLR)入力での「低」レベルは、出力が「低」にリセットされます。プリセット機能とクリア機能は非同期で、他方の入力レベルに依存しません。PREとCLRが非アクティブ(High)の場合、セットアップ時間の要件を満たすデータ(D)入力のデータは、クロック(CLK)パルスの正方向エッジで出力(Q、Q)に転送されます。クロックのトリガは電圧レベルで発生し、入力クロック(CLK)信号の立ち上がり時間とは直接関係しません。ホールド時間が経過した後、データ(D)入力のデータは、出力(Q、Q)のレベルに影響を与えることなく変更することができます。出力レベルは電源電圧(VCC)を基準とし、1.8V、2.5V、3.3V、および 5VのCMOSレベルをサポートします。入力は、低電圧CMOS入力の昇圧変換(例:1.2V入力から1.8V出力、または1.8V入力から3.3V出力)をサポートするために、低スレッショルド回路で設計されています。また、5V許容の入力ピンにより、降圧変換(3.3Vから2.5V出力など)が可能です。Texas Instruments SN74LV2T74-Q1デバイスは、自動車アプリケーション向けにAEC-Q100認定を受けています。LSN74LV2T74-EP デバイスは、ゴールドボンドワイヤ、-55~+105°Cの温度範囲、およびSnPbリード仕上げを備えています。
特徴
- 1.8V~5.5Vの広い動作範囲
- 単一電源電圧変換器 (LVxT 拡張入力電圧を参照):
- 昇圧変換
- 1.2Vから1.8Vへ
- 1.5Vから2.5Vへ
- 1.8V〜3.3V
- 3.3Vから5.0Vへ
- ダウン変換
- 5.0V、3.3V、2.5Vから1.8Vへ
- 5.0V、3.3Vから2.5Vへ
- 5.0Vから3.3Vへ
- 昇圧変換
- 許容入力ピン:5.5V
- 標準ピン配置をサポート
- 5Vまたは3.3V VCC で最大150Mbps
- JESD 17準拠で250mA超のラッチアップ性能
アプリケーション
- モメンタリスイッチをトグルスイッチに変換
- コントローラのリセット中に信号を保持
- 低速エッジレート信号入力
- 雑音が多い環境での動作
- クロック信号を2で除算
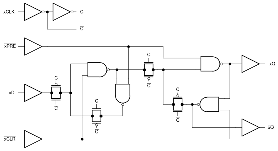
機能ブロック図
公開: 2023-06-16
| 更新済み: 2024-01-05
