特徴
- VCC 動作範囲:2V〜5.5V
- すべてのポートで混合モード電圧動作をサポート
- 標準VOLP(出力グランドバウンス):
- < 0.8V(VCC = 3.3V、TA = 25°C)
- 標準VOHV(出力VOH アンダーシュート):
- > 2.3V(VCC = 3.3V、TA = 25°C)
- 最大 tpd8.5 ns(5V時)
- Ioff により部分的パワーダウン・モード動作をサポート
- ラッチアップ性能は、JESD 17準拠の250mA超
アプリケーション
- プリンタ
- モーター制御
- ネットワークスイッチ
- サーバマザーボード
- 無線インフラ
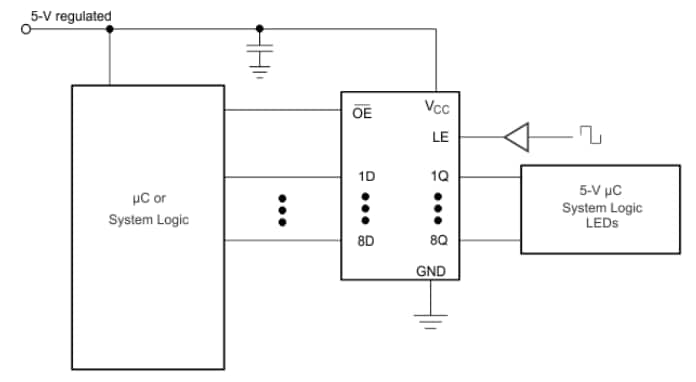
機能ブロック図
標準アプリケーションのスキーム図
公開: 2024-12-24
| 更新済み: 2025-01-03

