Texas Instruments SN74LV4052A/SN74LV4052A-Q1デュアルアナログマルチプレクサおよびデマルチプレクサ
Texas Instruments SN74LV4052A/SN74LV4052A-Q1デュアルアナログマルチプレクサおよびデマルチプレクサは、4チャンネルCMOSアナログマルチプレクサおよびデマルチプレクサで、1.65V〜5.5V VCC 動作用に設計されています。SN74LV4052A/SN74LV4052A-Q1デバイスは、デジタル信号とアナログ信号の両方に対応します。最大5.5V(ピーク)の振幅を持つ信号は、各チャンネルでどちらの方向にも送信できます。Texas Instruments SN74LV4052A-Q1は、自動車アプリケーションのAEC-Q100認定を受けています。特徴
- 1.65V~5.5V VCC 動作
- 高速スイッチング
- 高いオンオフ出力電圧比
- スイッチ間の低クロストーク
- 極めて低い入力電流
- ラッチアップ性能はJESD 78、クラスIIで100mAを超える
- JESD22を上回るESD保護能力
- 2,000V人体モデル (A114-A)
- 1,000Vデバイス帯電モデル(C101)
アプリケーション
- 電気通信
- インフォテインメント
- 信号ゲートおよび絶縁
- 家電製品
- プログラマブル・ロジック回路
- 変調および復調
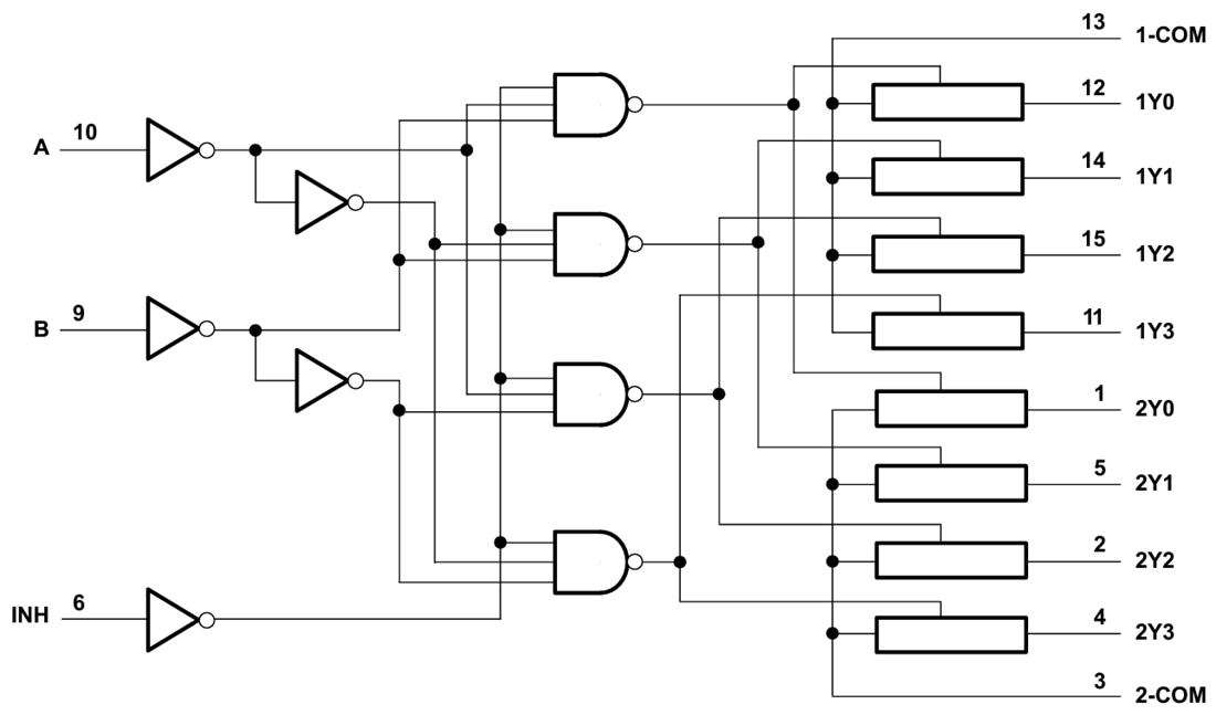
論理図(正論理)
公開: 2024-11-05
| 更新済み: 2025-03-27
